FOUND Header Plate or Drawing

Discuss all things Model T related.
Forum rules
If you need help logging in, or have question about how something works, use the Support forum located here Support Forum
Complete set of Forum Rules Forum Rules
User avatar

Topic author
henryford2
Posts: 824
Joined: Sun Jan 06, 2019 4:14 pm
First Name: Joseph
Last Name: Andulics
* REQUIRED* Type and Year of Model Ts owned: 1926 Fordor, 1926 Truck, 1927 Roadster GOW, RAJO Sprint car
Location: North Ridgeville, OH
Contact:

FOUND Header Plate or Drawing

Post by henryford2 » Sat Apr 23, 2022 7:39 pm

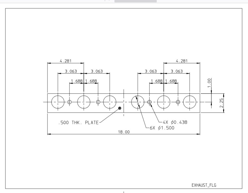
Is anyone making a header plate or have accurate drawings they would be willing to share? Not a plate to adapt the Model A manifolds to the block but one where I can build a set of headers. There was a PDF posted a while back for one, but there was a conflict in some of the dimensions? If not, I'll have to stop being lazy and make my own, but there are only so many hours in the day. Thanks
Last edited by henryford2 on Mon Apr 25, 2022 2:36 pm, edited 1 time in total.


Kevin Pharis
Posts: 1628
Joined: Thu Jan 10, 2019 3:54 pm
First Name: Kevin
Last Name: Pharis
Location: Sacramento CA
Contact:

Re: Header Plate or Drawing

Post by Kevin Pharis » Sat Apr 23, 2022 11:10 pm

I’ve got a 1/2” thick plate laying around for a T flathead. If I remember right, it was bored 1.625” for exhaust tube and 1.500” intake. I will dig it up and post pics later...

User avatar

TRDxB2
Posts: 6466
Joined: Tue Jan 08, 2019 4:56 pm
First Name: Frank
Last Name: Brandi
* REQUIRED* Type and Year of Model Ts owned: Speedsters (1919 w 1926 upgrades), 1926 (Ricardo Head)
Location: Moline IL
Board Member Since: 2018

Re: Header Plate or Drawing

Post by TRDxB2 » Sun Apr 24, 2022 1:07 am

henryford2 wrote:
Sat Apr 23, 2022 7:39 pm
Is anyone making a header plate or have accurate drawings they would be willing to share? Not a plate to adapt the Model A manifolds to the block but one where I can build a set of headers. There was a PDF posted a while back for one, but there was a conflict in some of the dimensions? If not, I'll have to stop being lazy and make my own, but there are only so many hours in the day. Thanks
flange.jpg
Attachments
Secrets of Speed all.jpg
The past is a great place and I don't want to erase it or to regret it, but I don't want to be its prisoner either.
Mick Jagger


Nv Bob
Posts: 799
Joined: Mon Jan 07, 2019 11:04 pm
First Name: Bob
Last Name: Middleton
* REQUIRED* Type and Year of Model Ts owned: 18 roadster 1810 brand X
Location: Western nv

Re: Header Plate or Drawing

Post by Nv Bob » Sun Apr 24, 2022 1:41 am

Got one if interested $50 to your door in 48 states
Email
Jalopyt@yahoo.com

User avatar

Craig Leach
Posts: 1998
Joined: Tue Jan 08, 2019 12:22 am
First Name: craig
Last Name: leach
* REQUIRED* Type and Year of Model Ts owned: 1919 Firetruck/1922 Speedster
Location: Laveen Az

Re: Header Plate or Drawing

Post by Craig Leach » Sun Apr 24, 2022 5:57 pm

Hi Joseph,
I have made my own and bought one from Mark Chaffin. If the one Bob has is or is like the ones Mark makes save yourself some time and buy it. I have found that a good supplier for tubing & bends is to order J tubes for VW's they are the right size and give you a tight 180* bend to work with.
Craig.

User avatar

Topic author
henryford2
Posts: 824
Joined: Sun Jan 06, 2019 4:14 pm
First Name: Joseph
Last Name: Andulics
* REQUIRED* Type and Year of Model Ts owned: 1926 Fordor, 1926 Truck, 1927 Roadster GOW, RAJO Sprint car
Location: North Ridgeville, OH
Contact:

Re: Header Plate or Drawing

Post by henryford2 » Sun Apr 24, 2022 9:32 pm

Do you know the diameter of the J-tube? I've normally bought my bends from Summit or Jegs. Thanks


Kevin Pharis
Posts: 1628
Joined: Thu Jan 10, 2019 3:54 pm
First Name: Kevin
Last Name: Pharis
Location: Sacramento CA
Contact:

Re: Header Plate or Drawing

Post by Kevin Pharis » Sun Apr 24, 2022 11:27 pm

Sent you an email Joe

I made a few a while back, and set the tube centers at 7/8” from the top to prevent the plate from sitting on the edge of the head gasket.
B30DD73F-0667-4C89-BBF3-14D95D8C062A.jpeg
AD2064AF-6946-49FD-8B9A-9CD9FB34BDFA.jpeg
04AF0E33-53AE-4164-805D-758037F34875.jpeg

User avatar

Craig Leach
Posts: 1998
Joined: Tue Jan 08, 2019 12:22 am
First Name: craig
Last Name: leach
* REQUIRED* Type and Year of Model Ts owned: 1919 Firetruck/1922 Speedster
Location: Laveen Az

Re: Header Plate or Drawing

Post by Craig Leach » Mon Apr 25, 2022 11:15 am

Hi Joseph,
J tubes are 1 1/2" and have a reduced end about 2" long that's O.D. fit's the I.D. the bends are about a 2 1/2" radius and the straight part is 11" long.
The last 2 pairs I purchased where very inexpensive but have some die marks in the radius. I cut the tube off at the transition of the two sizes and the reduction makes it easy to weld inside the flange.
Craig.

User avatar

Topic author
henryford2
Posts: 824
Joined: Sun Jan 06, 2019 4:14 pm
First Name: Joseph
Last Name: Andulics
* REQUIRED* Type and Year of Model Ts owned: 1926 Fordor, 1926 Truck, 1927 Roadster GOW, RAJO Sprint car
Location: North Ridgeville, OH
Contact:

Re: FOUND Header Plate or Drawing

Post by henryford2 » Mon Apr 25, 2022 2:36 pm

Found what I needed, thanks for the help


Allan
Posts: 7003
Joined: Sun Jan 06, 2019 7:21 pm
First Name: Allan
Last Name: Bennett
* REQUIRED* Type and Year of Model Ts owned: 1912 van, 1917 shooting brake, 1929 roadster buckboard, 1924 tourer, 1925 barn find buckboard, 1925 D &F wide body roadster, 1927LHD Tudor sedan.
Location: Gawler, Australia

Re: FOUND Header Plate or Drawing

Post by Allan » Mon Apr 25, 2022 8:55 pm

No one has mention tubular donuts. When I built the header for my speedster I made all the bends with donut sections. The length of the bend can be cut wherever the design dictates, and the bend linked with straight sections of exhaust pipes. To help keep things in place, the header plate was drilled so that the pipes could pass through them and the short intrusion acted as the gland ring does in a standard T set-up.

Allan from down under.


Kevin Pharis
Posts: 1628
Joined: Thu Jan 10, 2019 3:54 pm
First Name: Kevin
Last Name: Pharis
Location: Sacramento CA
Contact:

Re: FOUND Header Plate or Drawing

Post by Kevin Pharis » Mon Apr 25, 2022 9:23 pm

The donuts are great as they are typically made in a radius too tight to bend. The advantage to U or J bends is that you have only 1 weld tangent to each bend, effectively half as much welding. J bends provide longer straight sections than U bends on one leg, and can help either reduce the number of welds... or increase the number of short straight scraps

I always bore the header plates to the full tube diameter and all the way thru. Push the tube about 1/8” short of the engine side of the plate, and weld with large hot bead. This bead gets ground flat to the plate, and internal diameter if needed. Opposite side gets a few small 3-4 bead tack welds with the TIG welded to support the tube and prevent welds from cracking. I have also seen silver solder used to braze the tubes after welding for maximum resistance to cracking

User avatar

Topic author
henryford2
Posts: 824
Joined: Sun Jan 06, 2019 4:14 pm
First Name: Joseph
Last Name: Andulics
* REQUIRED* Type and Year of Model Ts owned: 1926 Fordor, 1926 Truck, 1927 Roadster GOW, RAJO Sprint car
Location: North Ridgeville, OH
Contact:

Re: FOUND Header Plate or Drawing

Post by henryford2 » Mon Apr 25, 2022 9:38 pm

I'm actually going with a style that is going to require very few bends.
275115410_10221511195027534_5194578676403739365_n.jpeg
This is the one I did for the Rajo, much more work!
IMG_1196.JPG

Post Reply Previous topicNext topic