New T electrical questions
Forum rules
If you need help logging in, or have question about how something works, use the Support forum located here Support Forum
Complete set of Forum Rules Forum Rules
If you need help logging in, or have question about how something works, use the Support forum located here Support Forum
Complete set of Forum Rules Forum Rules
-
makenstuff
Topic author - Posts: 6
- Joined: Sun May 22, 2022 11:20 am
- First Name: Brian
- Last Name: Potter
- * REQUIRED* Type and Year of Model Ts owned: 1926 TT
- Location: Aurora
New T electrical questions
My wife recently inherited a 1926 TT. I, as the make-believe mechanic, am finding this simple machine to be a bit more complex than I thought. The car starts and runs on the battery just fine. However, when switching to magneto it shuts off. I have not yet created the light bulb tester, so don't know about power from the mag. I do have video of it being started by the previous owner with the hand crank last year. My first exploration has been the wiring. The magneto is not wired to the block on the firewall, it is wired directly to the coil box, (stud on bottom). I don't know why the block/switch was bypassed, and don't know the consequences of how this is wired. Any help would be appreciated.
-
Humblej
- Posts: 2038
- Joined: Sun Jan 06, 2019 12:23 pm
- First Name: Jeff
- Last Name: Humble
- * REQUIRED* Type and Year of Model Ts owned: 1926 Canadian coupe, 1924 TT C-cab, 1924 runabout
- Location: Charlevoix, Mi
- Board Member Since: 2006
Re: New T electrical questions
Lots of people will be bombarding you with good advice, I will start with a recomendation to pick up a copy of the Ford Service Manual and join a local chapter of MTFCA or MTFCI. Welcome to the hobby.
-
Ron Patterson
Re: New T electrical questions
Be careful!
There are many (incorrect) wiring diagrams floating around in Model T land. .
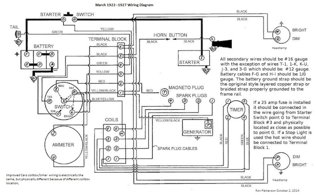
Attached is one I guarantee to be correct.
The fact that you have a TT is an additional wrinkle.
Before you start changing things check out how your care is wired comparing it to this diagram and give me a call.
I will be in the shop today.
Ron Patterson
231-348-5085
There are many (incorrect) wiring diagrams floating around in Model T land. .
Attached is one I guarantee to be correct.
The fact that you have a TT is an additional wrinkle.
Before you start changing things check out how your care is wired comparing it to this diagram and give me a call.
I will be in the shop today.
Ron Patterson
231-348-5085
-
DanTreace
- Posts: 3962
- Joined: Sun Jan 06, 2019 10:56 am
- First Name: Dan
- Last Name: Treace
- * REQUIRED* Type and Year of Model Ts owned: '23 cutoff pickup, '27 touring
- Location: North Central FL
- Board Member Since: 2000
- Contact:
Re: New T electrical questions
Here is a simple wiring diagram.
On the 26 coil box, the lower terminal on the bottom of the metal box is the positive input wire. That blue tracer wire goes only from that bottom terminal on the coil box to the 'coil' terminal of the ignition plate combo switch. That way the ignition switch, when the key is turned to BAT, the coil box is energized by the 6 volt DC battery, when the key is turned to MAG, the coil box is energized by the AC current of the flywheel magneto.
Having that magneto terminal red wire going directly to the coil box is pretty wrong. My guess is the back of that ignition switch is wired up wrong and allows only 6 v battery energy to the coil box.
Click on Image to enlarge
On the 26 coil box, the lower terminal on the bottom of the metal box is the positive input wire. That blue tracer wire goes only from that bottom terminal on the coil box to the 'coil' terminal of the ignition plate combo switch. That way the ignition switch, when the key is turned to BAT, the coil box is energized by the 6 volt DC battery, when the key is turned to MAG, the coil box is energized by the AC current of the flywheel magneto.
Having that magneto terminal red wire going directly to the coil box is pretty wrong. My guess is the back of that ignition switch is wired up wrong and allows only 6 v battery energy to the coil box.
Click on Image to enlarge
The best way is always the simplest. The attics of the world are cluttered up with complicated failures. Henry Ford
Don’t find fault, find a remedy; anybody can complain. Henry Ford
Don’t find fault, find a remedy; anybody can complain. Henry Ford
-
jsaylor
- Posts: 429
- Joined: Sun Jan 06, 2019 5:25 pm
- First Name: John
- Last Name: Saylor
- * REQUIRED* Type and Year of Model Ts owned: 1921 Touring, 1927 Tudor
- Location: Citrus Heights, Ca
- Board Member Since: 1999
Re: New T electrical questions
If the mag is directly wired to the coil box and the battery connection is wired correctly through the ignition switch, when you switch to battery it also applies battery voltage to the mag which has most likely de magnetized the magnets. You need to wire it correctly through the ignition switch, then do an in-car mag recharge.
-
makenstuff
Topic author - Posts: 6
- Joined: Sun May 22, 2022 11:20 am
- First Name: Brian
- Last Name: Potter
- * REQUIRED* Type and Year of Model Ts owned: 1926 TT
- Location: Aurora
Re: New T electrical questions
Wow, thanks all. I have the Service manual, and have looked at all the diagrams. All other wiring seems to be correct, other than the mag wire direct to the coil box. I thought maybe they bypassed the switch because it didn't work. Some of the switch to power block wiring has been patched and repatched over the years, so I've ordered a new wire set. this is how I found the magneto mis-wired. As the car runs off of the battery, is this direct wiring causing a problem? Should I disconnect it until I'm able to rewire the car?
I contacted my local chapter a few weeks ago, but have not had a response.
I have a thing for very niche hobbies and clubs, often making progress slow and difficult. But, I keep doing it, so I must enjoy it
I contacted my local chapter a few weeks ago, but have not had a response.
I have a thing for very niche hobbies and clubs, often making progress slow and difficult. But, I keep doing it, so I must enjoy it
-
jiminbartow
- Posts: 2455
- Joined: Sun Jan 06, 2019 10:55 pm
- First Name: James
- Last Name: Patrick
- * REQUIRED* Type and Year of Model Ts owned: 1926 Coupe
- Location: Bartow, FL
- Board Member Since: 2001
Re: New T electrical questions
Since you don’t know much about this T, first be sure it has a magneto. A past owner may have elected to take it out, if it did not work. It is also possible that, if you do have a magneto, it may not work and needs to be rebuilt. If you do have a working magneto coil, the first thing I would try is to be sure the magneto post on top of the hogshead is making good contact with the magneto button. Unscrew the large hex head post and pull it out. There will be a small rod with a sharp point that, when positioned properly, Imbeds into a soft soldered button on top of the magneto coil, just below the hole. The small rod pivots, so be sure it is pointed straight down and screw it’s in until tight, then try it.
In 1982, I was driving my Model T on mag when I went over a rough ail road crossing. It immediately died and I had to drive home on BATT. Since I knew when it died, I checked the magneto contact and, sure enough, the magneto contact post had shaken off of the magneto button. I took the post out, sharpened and aligned the point, screwed it in and my T has run on mag ever since. Jim Patrick
PS. If your T has a magneto post oiler, make sure the brass fitting is not screwed in so far as to make contact with the post housing inside the hex housing (second photo). If it is making contact it is grounding out the magneto. Take it out and grind a little off so it does not make contact.
In 1982, I was driving my Model T on mag when I went over a rough ail road crossing. It immediately died and I had to drive home on BATT. Since I knew when it died, I checked the magneto contact and, sure enough, the magneto contact post had shaken off of the magneto button. I took the post out, sharpened and aligned the point, screwed it in and my T has run on mag ever since. Jim Patrick
PS. If your T has a magneto post oiler, make sure the brass fitting is not screwed in so far as to make contact with the post housing inside the hex housing (second photo). If it is making contact it is grounding out the magneto. Take it out and grind a little off so it does not make contact.
-
TXGOAT2
- Posts: 7979
- Joined: Sun Feb 14, 2021 10:08 pm
- First Name: Pat
- Last Name: McNallen
- * REQUIRED* Type and Year of Model Ts owned: 1926-7 roadster
- Location: Graham, Texas
- Board Member Since: 2021
Re: New T electrical questions
I would disconnect and tape the mag wire at the mag post and at the coil box. I would also add a 20 amp fuse near the battery where the body feed wire connects. You can then test the mag for output with the engine running, and run the engine on battery until you get the wiring sorted out. I don't think the mag wire ought to ever be connected to the coil box except through the ignition switch. It's important not to allow battery current to flow the the mag terminal.
-
makenstuff
Topic author - Posts: 6
- Joined: Sun May 22, 2022 11:20 am
- First Name: Brian
- Last Name: Potter
- * REQUIRED* Type and Year of Model Ts owned: 1926 TT
- Location: Aurora
Re: New T electrical questions
Hold up. As I look at the diagrams again, and stare at the car.....my comments/observations don't make any sense. How could the car run the way I've claimed? I'll look it over again and come back to this thread.
Thanks for the welcome and your patience.
Thanks for the welcome and your patience.
-
TXGOAT2
- Posts: 7979
- Joined: Sun Feb 14, 2021 10:08 pm
- First Name: Pat
- Last Name: McNallen
- * REQUIRED* Type and Year of Model Ts owned: 1926-7 roadster
- Location: Graham, Texas
- Board Member Since: 2021
Re: New T electrical questions
If the magneto is good, the engine would start and run regardless of the position of the switch. If the battery wire from the ignition switch is not making contact to the coil box, no harm would be done to the magneto. It's possible the switch is wired incorrectly. "Mag" may be "Batt" or vice versa. It may be difficult to trace the wiring if it is in poor condition and faded or dirty. New wiring would be the best course. Old wiring in poor condition is a fire hazard, a serious hazard when hand cranking the engine, a hazard to the starter when using a starter, and is very likely to cause serious performance and reliability issues.
-
TRDxB2
- Posts: 6436
- Joined: Tue Jan 08, 2019 4:56 pm
- First Name: Frank
- Last Name: Brandi
- * REQUIRED* Type and Year of Model Ts owned: Speedsters (1919 w 1926 upgrades), 1926 (Ricardo Head)
- Location: Moline IL
- Board Member Since: 2018
Re: New T electrical questions
Just as you observed... Posting a picture of the firewall - coil box posts and terminal strip connections will also help members.makenstuff wrote: ↑Sun May 22, 2022 12:11 pmHold up. As I look at the diagrams again, and stare at the car.....my comments/observations don't make any sense. How could the car run the way I've claimed? I'll look it over again and come back to this thread.
Thanks for the welcome and your patience.
I might add that the ignition switch is actually two switches in one. The key operates the voltage source and the handle controls the lights. Sometimes the key needs bit more rotation to make contact with mag or bat - BUT don't force it because you could break the locks housing
The past is a great place and I don't want to erase it or to regret it, but I don't want to be its prisoner either.
Mick Jagger
Mick Jagger
-
Ron Patterson
Re: New T electrical questions
Remember guy's it is a TT and all car wiring rules may or may not not apply.
Where is the coilbox?
Ron Patterson
Where is the coilbox?
Ron Patterson
-
TRDxB2
- Posts: 6436
- Joined: Tue Jan 08, 2019 4:56 pm
- First Name: Frank
- Last Name: Brandi
- * REQUIRED* Type and Year of Model Ts owned: Speedsters (1919 w 1926 upgrades), 1926 (Ricardo Head)
- Location: Moline IL
- Board Member Since: 2018
Re: New T electrical questions
I agree, and by now we should know to expect every Model T to be "personalized" to some extentRon Patterson wrote: ↑Sun May 22, 2022 2:27 pmRemember guy's it is a TT and all car wiring rules may or may not not apply.
Where is the coilbox?
Ron Patterson
The past is a great place and I don't want to erase it or to regret it, but I don't want to be its prisoner either.
Mick Jagger
Mick Jagger