Rear lowering brackets
Forum rules
If you need help logging in, or have question about how something works, use the Support forum located here Support Forum
Complete set of Forum Rules Forum Rules
If you need help logging in, or have question about how something works, use the Support forum located here Support Forum
Complete set of Forum Rules Forum Rules
-
Topic author - Posts: 59
- Joined: Fri Jan 18, 2019 11:29 pm
- First Name: Bill
- Last Name: Webb
- * REQUIRED* Type and Year of Model Ts owned: 1926 Roadster, 1927 Roadster
- Location: Nc
Rear lowering brackets
So I am was curious why no one produces rear lowering brackets for a 26-27 T? I've seen the brackets on eBay that Bill sales and they look great but was hoping to find a set for my 26. I understand the rear crossmember is different in the later cars but could a laser cut bracket be made and used for the later crossmember?
If anyone has any information on either the drawings for a bracket (early crossmember bracket will work) and instructions on where to cut the frame that would be very helpful.
Thank you
If anyone has any information on either the drawings for a bracket (early crossmember bracket will work) and instructions on where to cut the frame that would be very helpful.
Thank you
-
- Posts: 6397
- Joined: Tue Jan 08, 2019 4:56 pm
- First Name: Frank
- Last Name: Brandi
- * REQUIRED* Type and Year of Model Ts owned: Speedsters (1919 w 1926 upgrades), 1926 (Ricardo Head)
- Location: Moline IL
- Board Member Since: 2018
Re: Rear lowering brackets
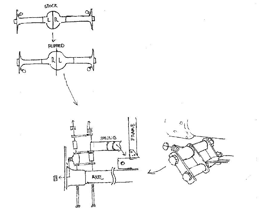
I believe this is want your looking to know (captured from MTFCA)
This is what I wish I could have - I understand the something like these extensions were available as an accessory
The past is a great place and I don't want to erase it or to regret it, but I don't want to be its prisoner either.
Mick Jagger
Mick Jagger
-
- Posts: 327
- Joined: Fri Jan 04, 2019 10:18 pm
- First Name: Harry
- Last Name: Lillo
- * REQUIRED* Type and Year of Model Ts owned: Speedsters, racers, depot hack, coupe
- Location: Calgary
Re: Rear lowering brackets
Another solution is to make a new rear main leaf with reversed eyes and a lower arch.
I have two cars running with this setup. It gives you about a four inch drop.
The remaining leaves need to be re-arched in a hydraulic press which takes some time but is worth the effort.
We are fortunate to have a spring shop here in Calgary that will make the main leaf for us.
Harry
I have two cars running with this setup. It gives you about a four inch drop.
The remaining leaves need to be re-arched in a hydraulic press which takes some time but is worth the effort.
We are fortunate to have a spring shop here in Calgary that will make the main leaf for us.
Harry
-
- Posts: 5509
- Joined: Sun Jan 06, 2019 11:09 am
- First Name: Henry
- Last Name: Lee
- * REQUIRED* Type and Year of Model Ts owned: Many
- Location: South Pittsburg, TN
- MTFCA Life Member: YES
Re: Rear lowering brackets
I have listed them many times with few takers. Two sets remain.
Hank
Hank
-
- Posts: 6397
- Joined: Tue Jan 08, 2019 4:56 pm
- First Name: Frank
- Last Name: Brandi
- * REQUIRED* Type and Year of Model Ts owned: Speedsters (1919 w 1926 upgrades), 1926 (Ricardo Head)
- Location: Moline IL
- Board Member Since: 2018
Re: Rear lowering brackets
Other methods
http://www.mtfca.com/discus/messages/80 ... 1242265839
The past is a great place and I don't want to erase it or to regret it, but I don't want to be its prisoner either.
Mick Jagger
Mick Jagger
-
- Posts: 1419
- Joined: Sun Jan 06, 2019 7:00 pm
- First Name: Mack
- Last Name: Cole
- * REQUIRED* Type and Year of Model Ts owned: TT. T express pickup,speedster project.
- Location: North Carolina
Re: Rear lowering brackets
Dang,I wish I had known about that method when I was working on the rear axle of my T. During the assembly that woulda been the time to reverse the houseings.
If you can't help em, don't hinder em'
-
Topic author - Posts: 59
- Joined: Fri Jan 18, 2019 11:29 pm
- First Name: Bill
- Last Name: Webb
- * REQUIRED* Type and Year of Model Ts owned: 1926 Roadster, 1927 Roadster
- Location: Nc
Re: Rear lowering brackets
Hank sent you a PM about the brackets.
Everyone thank you for the information. If anyone has additional info please add.
Thank you.
Was hoping to make a set like below but maybe with more drop
Everyone thank you for the information. If anyone has additional info please add.
Thank you.
Was hoping to make a set like below but maybe with more drop
-
- Posts: 6397
- Joined: Tue Jan 08, 2019 4:56 pm
- First Name: Frank
- Last Name: Brandi
- * REQUIRED* Type and Year of Model Ts owned: Speedsters (1919 w 1926 upgrades), 1926 (Ricardo Head)
- Location: Moline IL
- Board Member Since: 2018
Re: Rear lowering brackets
I was told by a speedster guy that the front drop should be slightly lower than the rear. More drop?
https://www.youtube.com/watch?v=wKtB6mmj6eY
Good YOUTUBE Video drop front and back
The past is a great place and I don't want to erase it or to regret it, but I don't want to be its prisoner either.
Mick Jagger
Mick Jagger
-
- Posts: 1419
- Joined: Sun Jan 06, 2019 7:00 pm
- First Name: Mack
- Last Name: Cole
- * REQUIRED* Type and Year of Model Ts owned: TT. T express pickup,speedster project.
- Location: North Carolina
Re: Rear lowering brackets
That 3rd pic that Frank just posted is the way I would have done mine had I not been iffy about cutting up a T chassis.The way I did things is reversable at whatever point it may be feaseable
If you can't help em, don't hinder em'
-
- Posts: 6397
- Joined: Tue Jan 08, 2019 4:56 pm
- First Name: Frank
- Last Name: Brandi
- * REQUIRED* Type and Year of Model Ts owned: Speedsters (1919 w 1926 upgrades), 1926 (Ricardo Head)
- Location: Moline IL
- Board Member Since: 2018
Re: Rear lowering brackets
Lots of beat-up frames around that could be used - Z bracket needs frame cut. But is it advisable to weld vanadium steel like that (3 pic)
The past is a great place and I don't want to erase it or to regret it, but I don't want to be its prisoner either.
Mick Jagger
Mick Jagger
-
- Posts: 1617
- Joined: Thu Jan 10, 2019 3:54 pm
- First Name: Kevin
- Last Name: Pharis
- Location: Sacramento CA
- Contact:
Re: Rear lowering brackets
The sweeping Z is a nice touch on an exposed frame, but can be in the way if you have to push the seats back to clear long legs. And can also be a bit sketchy if your welding skills are a bit... sketchy
I went with a strap iron lowering brackets as I needed extra vertical clearance for my oval fuel tank. The brackets are bent up from 2 laminated strips of 1/4” thick strap iron that sandwich the top and bottom frame rails. The fuel tank brackets double as reinforcements for the lowering brackets. All bolted together...
I went with a strap iron lowering brackets as I needed extra vertical clearance for my oval fuel tank. The brackets are bent up from 2 laminated strips of 1/4” thick strap iron that sandwich the top and bottom frame rails. The fuel tank brackets double as reinforcements for the lowering brackets. All bolted together...
-
Topic author - Posts: 59
- Joined: Fri Jan 18, 2019 11:29 pm
- First Name: Bill
- Last Name: Webb
- * REQUIRED* Type and Year of Model Ts owned: 1926 Roadster, 1927 Roadster
- Location: Nc
Re: Rear lowering brackets
Kevin
Interesting setup. Looks great.
Interesting setup. Looks great.
-
- Posts: 6397
- Joined: Tue Jan 08, 2019 4:56 pm
- First Name: Frank
- Last Name: Brandi
- * REQUIRED* Type and Year of Model Ts owned: Speedsters (1919 w 1926 upgrades), 1926 (Ricardo Head)
- Location: Moline IL
- Board Member Since: 2018
Re: Rear lowering brackets
Sweeping Z variant
- Attachments
-
- 207336.jpg (62.29 KiB) Viewed 6284 times
The past is a great place and I don't want to erase it or to regret it, but I don't want to be its prisoner either.
Mick Jagger
Mick Jagger
-
- Posts: 3384
- Joined: Sun Jan 06, 2019 11:39 am
- First Name: Tim
- Last Name: Morsher
- * REQUIRED* Type and Year of Model Ts owned: 1925TT, 1926 Martin-Parry bodied wagon, 1927 mercury bodied speedster
- Location: Norwalk Ohio
Re: Rear lowering brackets
I don’t think this example is very safe. I’d never let a loved one use it. I think it could be saved with added fishplate inside, outside or both. jMHO
-
- Posts: 1617
- Joined: Thu Jan 10, 2019 3:54 pm
- First Name: Kevin
- Last Name: Pharis
- Location: Sacramento CA
- Contact:
Re: Rear lowering brackets
I had to figure something out as I didn’t have any 3/4” plate to torch the brackets out of...


-
- Posts: 1359
- Joined: Thu Jan 10, 2019 5:47 pm
- First Name: Les
- Last Name: Schubert
- * REQUIRED* Type and Year of Model Ts owned: 27 roadster 13 touring
- Location: Calgary
Re: Rear lowering brackets
A word of caution when you are lowering your T speedster, if you get a bit carried away it is possible to rip out the oil drain plug loading into your trailer. I learned this the hard way!!
-
Topic author - Posts: 59
- Joined: Fri Jan 18, 2019 11:29 pm
- First Name: Bill
- Last Name: Webb
- * REQUIRED* Type and Year of Model Ts owned: 1926 Roadster, 1927 Roadster
- Location: Nc
Re: Rear lowering brackets
Great info everyone! Really enjoy seeing the different options and approaches to lowering the rear!
-
- Posts: 532
- Joined: Sun Jan 06, 2019 12:25 pm
- First Name: Andre
- Last Name: Valkenaers
- * REQUIRED* Type and Year of Model Ts owned: 1926 ; 1922 ; 1915.
- Location: Scherpenheuvel
Re: Rear lowering brackets
Two year ago I rebuild a 1920 frame from a speedster.
The change was 5" .
The original frame was rusted so far that it needed a replacement.
The rear is done as the old one . For the front I used parts I found 5 or 6 years ago on Ebay.
Good luck
Andre
Belgium
The change was 5" .
The original frame was rusted so far that it needed a replacement.
The rear is done as the old one . For the front I used parts I found 5 or 6 years ago on Ebay.
Good luck
Andre
Belgium
-
- Posts: 818
- Joined: Sun Jan 06, 2019 4:14 pm
- First Name: Joseph
- Last Name: Andulics
- * REQUIRED* Type and Year of Model Ts owned: 1926 Fordor, 1926 Truck, 1927 Roadster GOW, RAJO Sprint car
- Location: North Ridgeville, OH
- Contact:
Re: Rear lowering brackets
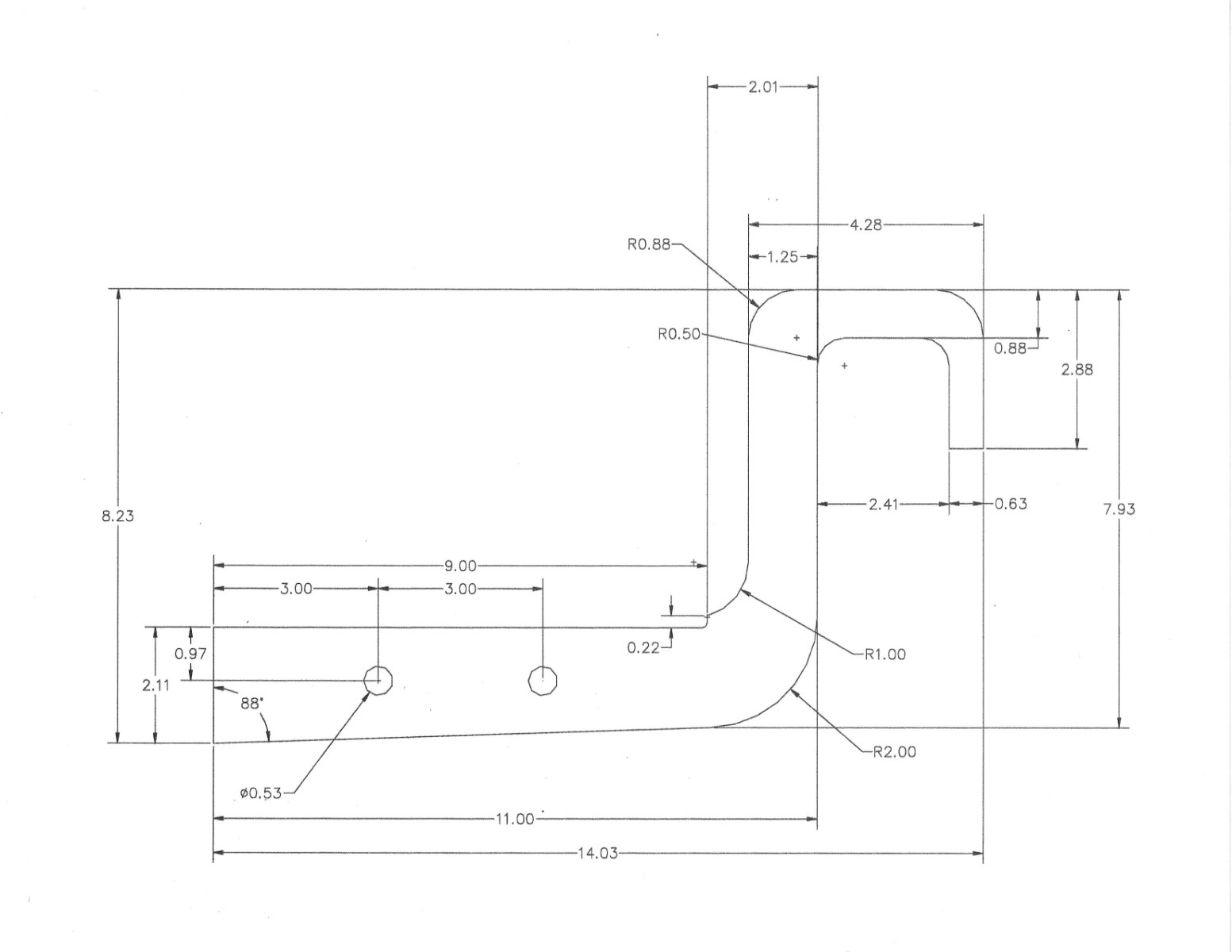
This may help, this is the drawing for the brackets pictured. It's a 5" drop, anymore than that you're skating on thin ice. Enjoy
-
Topic author - Posts: 59
- Joined: Fri Jan 18, 2019 11:29 pm
- First Name: Bill
- Last Name: Webb
- * REQUIRED* Type and Year of Model Ts owned: 1926 Roadster, 1927 Roadster
- Location: Nc
Re: Rear lowering brackets
Thank you perfect!!
-
- Posts: 1015
- Joined: Sun Jan 06, 2019 10:45 am
- First Name: David
- Last Name: Stroud
- * REQUIRED* Type and Year of Model Ts owned: 1925 Coupe
- Location: Mound City, MO 64470
- Board Member Since: 2011
Re: Rear lowering brackets
Don't EVER box just a portion of a frame rail!!! A lot of people think that is necessary, but while that indeed creates a very strong joint, it also creates a box tube that will not flex while the rest of the frame will. That will cause cracks in the frame at the end of the boxed section in the frame flanges and it will be worse than if it wasn't boxed at all. Welding frames isn't rocket science, as a lot of people think. Most frames aren't much more than mild steel, until you get into semi truck stuff, which are high tensile steel. That isn't a problem either if you use the correct welding rod. Just a SMALL reinforcement on the inside of the joint on the bottom flange or the inside of the rail (so called "fishplate", which shouldn't be any thicker than the frame itself, if that thick) is all that is needed, and that is only if you don't get a 100% weld joint. In the last 40+ years I have seen all kinds of "NECESSARY" reinforced weld joints that either failed or were about to. JMHO Dave
1925 mostly original coupe.
-
- Posts: 732
- Joined: Mon Oct 21, 2019 9:43 pm
- First Name: Danny
- Last Name: Deaton
- Location: Ohio
Re: Rear lowering brackets
Hanks brackets