Header flanges?

Discuss all things Model T related.
Forum rules
If you need help logging in, or have question about how something works, use the Support forum located here Support Forum
Complete set of Forum Rules Forum Rules
User avatar

Topic author
KWTownsend
Posts: 1495
Joined: Mon Jan 07, 2019 6:51 pm
First Name: Keith
Last Name: Townsend
* REQUIRED* Type and Year of Model Ts owned: late 1911 touring, 1915 runabout, 1919 touring, brass speedster
Location: Gresham, Orygun
MTFCA Life Member: YES
Board Member Since: 1999

Header flanges?

Post by KWTownsend » Tue May 06, 2025 3:48 pm

How thick should flanges be for an exhaust header?

: ^ )

User avatar

Mark Chaffin
Posts: 4772
Joined: Sat Jan 12, 2019 12:11 pm
First Name: Mark
Last Name: Chaffin
* REQUIRED* Type and Year of Model Ts owned: 1911 Speedster, 1927 Lake Roadster
Location: Lake Elsinore
Board Member Since: 2001

Re: Header flanges?

Post by Mark Chaffin » Tue May 06, 2025 4:23 pm

3/8" minimum. 1/2" better.


ModelTWoods
Posts: 1552
Joined: Tue Jan 08, 2019 10:53 am
First Name: Terry
Last Name: Woods
* REQUIRED* Type and Year of Model Ts owned: 1927 Model T coupe, 1926 4 door sedan
Location: Cibolo (San Antonio), TX

Re: Header flanges?

Post by ModelTWoods » Tue May 06, 2025 8:36 pm

KWTownsend wrote:
Tue May 06, 2025 3:48 pm
How thick should flanges be for an exhaust header?

: ^ )
Keith, if you are thinking of making a homemade header, yourself, I have a commercially made header flange that might save you some time. it is 1/4" thick if I remember. Contact me if you are interested.


Dodge
Posts: 77
Joined: Tue Oct 29, 2024 3:05 am
First Name: Dodge
Last Name: Riedy
* REQUIRED* Type and Year of Model Ts owned: 1915 Ford Center Door
Location: San Anselmo

Re: Header flanges?

Post by Dodge » Wed May 07, 2025 1:22 am

3/8 minimum.


ModelTWoods
Posts: 1552
Joined: Tue Jan 08, 2019 10:53 am
First Name: Terry
Last Name: Woods
* REQUIRED* Type and Year of Model Ts owned: 1927 Model T coupe, 1926 4 door sedan
Location: Cibolo (San Antonio), TX

Re: Header flanges?

Post by ModelTWoods » Wed May 07, 2025 6:05 pm

ModelTWoods wrote:
Tue May 06, 2025 8:36 pm
KWTownsend wrote:
Tue May 06, 2025 3:48 pm
How thick should flanges be for an exhaust header?

: ^ )
Keith, if you are thinking of making a homemade header, yourself, I have a commercially made header flange that might save you some time. it is 1/4" thick if I remember. Contact me if you are interested.
Keith can't use my header flange because it is for use on a T without an overhead. He has a "Fronty" and can't use it. someone who didn't give their name, messaged me that they would take it if Keith didn't. They are a mystery person.


AndyClary
Posts: 902
Joined: Sun Jan 06, 2019 11:15 am
First Name: Andrew
Last Name: Clary
* REQUIRED* Type and Year of Model Ts owned: 1914 Runabout 1926 Coupe. Mercury Speedster #1249
Location: Usa

Re: Header flanges?

Post by AndyClary » Wed May 07, 2025 9:41 pm

As I recall the header plate that Mark supplies with his Rajo kit is 1/2 inch thick. I still managed to put a minor warp in it while building my header.


Andy
CCB683EA-F4C4-4488-96A3-2508F912598A.jpeg

User avatar

babychadwick
Posts: 732
Joined: Tue Jan 08, 2019 7:03 am
First Name: Chad
Last Name: Azevedo
* REQUIRED* Type and Year of Model Ts owned: 1926 Boattail speedster, 1912 Tourabout project, 1927 Speedster (build), 1929 Buick (future T tow car)
Location: Henderson, TN
Board Member Since: 1999

Re: Header flanges?

Post by babychadwick » Thu May 08, 2025 8:39 am

Working slow with a drill press, oil and a hole saw it's pretty easy to make one.
"Those who fail to plan, plan to fail"


Shannon_in_Texas
Posts: 235
Joined: Tue Nov 05, 2019 10:40 pm
First Name: Shannon
Last Name: Helm
Location: Arlington TX

Re: Header flanges?

Post by Shannon_in_Texas » Thu May 08, 2025 12:04 pm

https://www.mtfca.com/discus/messages/8 ... 1543505202

This old post has a .pdf file showing the dimensions to make your own. Chad, I just noticed that this was from your inquiry about it years ago!

User avatar

Henry K. Lee
Posts: 5599
Joined: Sun Jan 06, 2019 11:09 am
First Name: Henry
Last Name: Lee
* REQUIRED* Type and Year of Model Ts owned: Many
Location: South Pittsburg, TN
MTFCA Life Member: YES

Re: Header flanges?

Post by Henry K. Lee » Thu May 08, 2025 6:29 pm

I have been building custom headers since my teenager years, 3/8" is your friend, bevel inside and out, match distances within 3% flow check if you can!

Hank

User avatar

TRDxB2
Posts: 6540
Joined: Tue Jan 08, 2019 4:56 pm
First Name: Frank
Last Name: Brandi
* REQUIRED* Type and Year of Model Ts owned: Speedsters (1919 w 1926 upgrades), 1926 (Ricardo Head)
Location: Moline IL
Board Member Since: 2018

Re: Header flanges?

Post by TRDxB2 » Thu May 08, 2025 10:47 pm

KWTownsend wrote:
Tue May 06, 2025 3:48 pm
How thick should flanges be for an exhaust header?

: ^ )
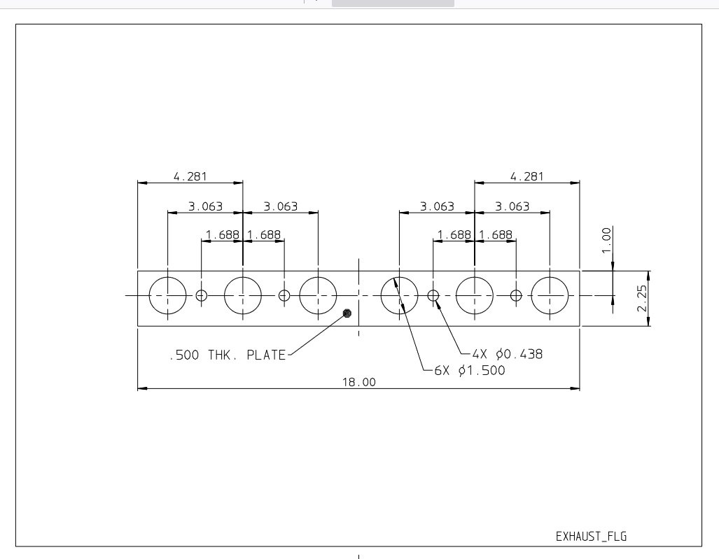
From previous discussion
By Scott Elliott, Tigard, OR on Wednesday, November 28, 2018 - 06:32 pm:
Here is a pdf of a Header flange. It shows the dimensions between the ports and the bolt hole spacing. You might want to make the 2.25 dimension 2.50
Include the picture instead of the PDF of it
Attachments
flange.jpg
The past is a great place and I don't want to erase it or to regret it, but I don't want to be its prisoner either.
Mick Jagger

User avatar

Topic author
KWTownsend
Posts: 1495
Joined: Mon Jan 07, 2019 6:51 pm
First Name: Keith
Last Name: Townsend
* REQUIRED* Type and Year of Model Ts owned: late 1911 touring, 1915 runabout, 1919 touring, brass speedster
Location: Gresham, Orygun
MTFCA Life Member: YES
Board Member Since: 1999

Re: Header flanges?

Post by KWTownsend » Thu May 08, 2025 11:46 pm

The header will be for a Frontenac. My son will do the fabrication and satisfy a "design and build" requirement for his welding classes at the local community college.
He will make one from steel, and if all goes well, a second one from stainless steel.

He made flanges 1/2" thick.
20250506_181437.jpg


TeveS-Nor Cal
Posts: 147
Joined: Sun Jan 06, 2019 7:11 pm
First Name: Steve
Last Name: Straw
* REQUIRED* Type and Year of Model Ts owned: 1915 and lots of parts
Location: Penn Valley, CA

Re: Header flanges?

Post by TeveS-Nor Cal » Fri May 09, 2025 5:07 pm

What is the best tubing to use to fabricate the rest of the header?


Kevin Pharis
Posts: 1640
Joined: Thu Jan 10, 2019 3:54 pm
First Name: Kevin
Last Name: Pharis
Location: Sacramento CA
Contact:

Re: Header flanges?

Post by Kevin Pharis » Fri May 09, 2025 9:50 pm

Stay away from aluminized and galvanized tube. Bare steel or stainless steel is best for welding. Stainless is a pain to work with, if you’re gonna build a bare steel header as a pattern, consider having it ceramic coated and be done with it!

User avatar

RajoRacer
Posts: 5470
Joined: Sun Jan 06, 2019 12:18 pm
First Name: Steve
Last Name: Tomaso
* REQUIRED* Type and Year of Model Ts owned: 1914 Touring, 1919 Centerdoor, 1924 TT C-Cab Express, 1925 Racer
Location: Longbranch, WA
Board Member Since: 2001

Re: Header flanges?

Post by RajoRacer » Fri May 09, 2025 10:26 pm

Yes, have it CermaChromed after completion - Zoom-Zoom !
Attachments
Racer2.JPG

User avatar

Craig Leach
Posts: 2013
Joined: Tue Jan 08, 2019 12:22 am
First Name: craig
Last Name: leach
* REQUIRED* Type and Year of Model Ts owned: 1919 Firetruck/1922 Speedster
Location: Laveen Az

Re: Header flanges?

Post by Craig Leach » Sat May 10, 2025 2:44 am

Speedway Motors sells very nice U bends for making headers in all sizes. First time buyers if you sign up for email you get a 10% discount.
Good quality VW J tubes work also but the cheaper ones don't have the best looking bends. The ends of the J tubes are smaller than the tube
this makes them easier to fit in a flange if that is the size you are using. I made the header for my speedster out of J tubes. The smaller end
can be pushed through flange & welded on the engine side of the flange so if there is any warpage it is in the direction that causes the least
issue.
Craig.

User avatar

babychadwick
Posts: 732
Joined: Tue Jan 08, 2019 7:03 am
First Name: Chad
Last Name: Azevedo
* REQUIRED* Type and Year of Model Ts owned: 1926 Boattail speedster, 1912 Tourabout project, 1927 Speedster (build), 1929 Buick (future T tow car)
Location: Henderson, TN
Board Member Since: 1999

Re: Header flanges?

Post by babychadwick » Sat May 10, 2025 7:53 am

TeveS-Nor Cal wrote:
Fri May 09, 2025 5:07 pm
What is the best tubing to use to fabricate the rest of the header?
Not recommended but my grandfather would use electrical conduit as it was cheap and available then paint it black. I bought the bends from summit last time. His header is still going great after 30 years so it it possible to cut the holes out with a torch, pick up material at home depot and build it in your backyard under a shade tree.
"Those who fail to plan, plan to fail"


AndyClary
Posts: 902
Joined: Sun Jan 06, 2019 11:15 am
First Name: Andrew
Last Name: Clary
* REQUIRED* Type and Year of Model Ts owned: 1914 Runabout 1926 Coupe. Mercury Speedster #1249
Location: Usa

Re: Header flanges?

Post by AndyClary » Sat May 10, 2025 9:05 am

I used long u bends that came from speedway motors via Amazon. That gave me two primaries from each one. Same source for the cones. I gout the straight 3 inch tube from a muffler ship since normal shipping is only 4 foot pieces. I had them bend it a slight bit to follow the contour of the body.

Andy

User avatar

Topic author
KWTownsend
Posts: 1495
Joined: Mon Jan 07, 2019 6:51 pm
First Name: Keith
Last Name: Townsend
* REQUIRED* Type and Year of Model Ts owned: late 1911 touring, 1915 runabout, 1919 touring, brass speedster
Location: Gresham, Orygun
MTFCA Life Member: YES
Board Member Since: 1999

Re: Header flanges?

Post by KWTownsend » Sat May 10, 2025 9:16 am

A big box of material ordered from Stainless Headers arrived yesterday. Stay tuned...

User avatar

Topic author
KWTownsend
Posts: 1495
Joined: Mon Jan 07, 2019 6:51 pm
First Name: Keith
Last Name: Townsend
* REQUIRED* Type and Year of Model Ts owned: late 1911 touring, 1915 runabout, 1919 touring, brass speedster
Location: Gresham, Orygun
MTFCA Life Member: YES
Board Member Since: 1999

Re: Header flanges?

Post by KWTownsend » Sun May 18, 2025 8:48 am

Here is what he's got put together so far...

Mild steel, 3/8" flanges, 1-1/2" steel pipe (1-5/8" OD).
Frontenac steel header 2.jpg
Still learning about heat and warping...

Now I need to find some 1-5/8" ID flex pipe.

User avatar

Topic author
KWTownsend
Posts: 1495
Joined: Mon Jan 07, 2019 6:51 pm
First Name: Keith
Last Name: Townsend
* REQUIRED* Type and Year of Model Ts owned: late 1911 touring, 1915 runabout, 1919 touring, brass speedster
Location: Gresham, Orygun
MTFCA Life Member: YES
Board Member Since: 1999

Re: Header flanges?

Post by KWTownsend » Thu May 22, 2025 8:21 pm

Spencer is now working on the stainless steel unit...
Resized_20250522_152537.jpeg
Resized_20250522_152545.jpeg
: ^ )


Kevin Pharis
Posts: 1640
Joined: Thu Jan 10, 2019 3:54 pm
First Name: Kevin
Last Name: Pharis
Location: Sacramento CA
Contact:

Re: Header flanges?

Post by Kevin Pharis » Thu May 22, 2025 9:34 pm

Lookin good! Noticeable improvement with both tube fitment and welding. I like your flange bracing, did it keep the flanges in place?

User avatar

Topic author
KWTownsend
Posts: 1495
Joined: Mon Jan 07, 2019 6:51 pm
First Name: Keith
Last Name: Townsend
* REQUIRED* Type and Year of Model Ts owned: late 1911 touring, 1915 runabout, 1919 touring, brass speedster
Location: Gresham, Orygun
MTFCA Life Member: YES
Board Member Since: 1999

Re: Header flanges?

Post by KWTownsend » Tue Jun 10, 2025 11:04 pm

We got the engine running but it was running really rough. Very sputtery and the intake manifold was really cold. I arranged a heat tube from the carburetor to an area near the exhaust header and it ran considerably better, so we made a heat collector and plumbed it into the carburetor. It runs much better.
20250609_174108.jpg
: ^ )

User avatar

Topic author
KWTownsend
Posts: 1495
Joined: Mon Jan 07, 2019 6:51 pm
First Name: Keith
Last Name: Townsend
* REQUIRED* Type and Year of Model Ts owned: late 1911 touring, 1915 runabout, 1919 touring, brass speedster
Location: Gresham, Orygun
MTFCA Life Member: YES
Board Member Since: 1999

Re: Header flanges?

Post by KWTownsend » Tue Jun 10, 2025 11:13 pm

We got the engine running but it was running really rough. Very sputtery and the intake manifold was really cold. I arranged a heat tube from the carburetor to an area near the exhaust header and it ran considerably better, so we made a heat collector and plumbed it into the carburetor. It runs much better.

20250609_174108.jpg
: ^ )
Last edited by KWTownsend on Tue Jun 10, 2025 11:17 pm, edited 2 times in total.

User avatar

RajoRacer
Posts: 5470
Joined: Sun Jan 06, 2019 12:18 pm
First Name: Steve
Last Name: Tomaso
* REQUIRED* Type and Year of Model Ts owned: 1914 Touring, 1919 Centerdoor, 1924 TT C-Cab Express, 1925 Racer
Location: Longbranch, WA
Board Member Since: 2001

Re: Header flanges?

Post by RajoRacer » Tue Jun 10, 2025 11:15 pm

My RAJO has to have HEAT !
Attachments
Winfield (2).JPG

User avatar

Topic author
KWTownsend
Posts: 1495
Joined: Mon Jan 07, 2019 6:51 pm
First Name: Keith
Last Name: Townsend
* REQUIRED* Type and Year of Model Ts owned: late 1911 touring, 1915 runabout, 1919 touring, brass speedster
Location: Gresham, Orygun
MTFCA Life Member: YES
Board Member Since: 1999

Re: Header flanges?

Post by KWTownsend » Tue Jun 10, 2025 11:17 pm

What carburetor is that, Steve?


Kevin Pharis
Posts: 1640
Joined: Thu Jan 10, 2019 3:54 pm
First Name: Kevin
Last Name: Pharis
Location: Sacramento CA
Contact:

Re: Header flanges?

Post by Kevin Pharis » Tue Jun 10, 2025 11:37 pm

^^^^^^^^^^
Hmmmm… carb looks kinda familiar ;)


49willard
Posts: 90
Joined: Thu Feb 01, 2024 9:03 am
First Name: Bill
Last Name: Jones
* REQUIRED* Type and Year of Model Ts owned: 1912 Foredoor
Location: harpswell maine

Re: Header flanges?

Post by 49willard » Wed Jun 11, 2025 7:02 am

Keith,
Looking good! I do not envy your son making the flanges out of stainless steel unless he has access to plazma or better still abrasive water jet.

User avatar

Topic author
KWTownsend
Posts: 1495
Joined: Mon Jan 07, 2019 6:51 pm
First Name: Keith
Last Name: Townsend
* REQUIRED* Type and Year of Model Ts owned: late 1911 touring, 1915 runabout, 1919 touring, brass speedster
Location: Gresham, Orygun
MTFCA Life Member: YES
Board Member Since: 1999

Re: Header flanges?

Post by KWTownsend » Wed Jun 11, 2025 8:54 am

Bill,
He cut them with a plasma cutter.
: ^ )

User avatar

RajoRacer
Posts: 5470
Joined: Sun Jan 06, 2019 12:18 pm
First Name: Steve
Last Name: Tomaso
* REQUIRED* Type and Year of Model Ts owned: 1914 Touring, 1919 Centerdoor, 1924 TT C-Cab Express, 1925 Racer
Location: Longbranch, WA
Board Member Since: 2001

Re: Header flanges?

Post by RajoRacer » Wed Jun 11, 2025 11:37 am

My Racer sports a Winfield SRBD.

Post Reply Previous topicNext topic