Another generator question - A new one on me!
Forum rules
If you need help logging in, or have question about how something works, use the Support forum located here Support Forum
Complete set of Forum Rules Forum Rules
If you need help logging in, or have question about how something works, use the Support forum located here Support Forum
Complete set of Forum Rules Forum Rules
-
Marshall V. Daut
Topic author - Posts: 229
- Joined: Wed Jan 16, 2019 2:57 pm
- First Name: Marshall
- Last Name: Daut
- * REQUIRED* Type and Year of Model Ts owned: 1924 Coupe
- Location: Davenport, Iowa
Another generator question - A new one on me!
After finally getting the engine to run in a friend's newly-purchased '26 T, it was noted that the ammeter did not register a charge even when the engine was revved up. The ammeter was wired backwards (of course!), showing a charge when the lights were tested. Once the ammeter wires were corrected, turning on the headlights gave a discharge on the ammeter. So, we know the ammeter works on both sides of zero.
Before polarizing the generator, I thought it best to remove the cutout to see if it could possibly be an electronic model, which is not supposed to be jumpered. Thank goodness I did that - it is an expensive electronic cutout for negative systems. 'Dodged the bullet there! I will assume it's good, as it appears brand-new.
Removing the generator to test it with a battery, it "motored", maybe not as fast as I would like, but it did spin. That's a plus = the armature isn't burned out. The cover band was removed and I was greeted by an additional two-wire affair with a fuse, which I had never seen. The fuse filament does not appear to be broken. Look at the photos. What is this for? I am reluctant to adjust the third brush holder to increase the charging rate because what if this wiring addition is some kind of regulator or surge protector and by me attempting to increase the charging rate, I screw something up? I know I need to clean the armature plates, but if they were really terrible, the generator wouldn't even motor.
Should I loosen the third brush plate via the nut (see arrow) and move the holder to increase the charging rate? If not, why does the generator motor, but not put out a charge?
Marshall[image][/image]
Before polarizing the generator, I thought it best to remove the cutout to see if it could possibly be an electronic model, which is not supposed to be jumpered. Thank goodness I did that - it is an expensive electronic cutout for negative systems. 'Dodged the bullet there! I will assume it's good, as it appears brand-new.
Removing the generator to test it with a battery, it "motored", maybe not as fast as I would like, but it did spin. That's a plus = the armature isn't burned out. The cover band was removed and I was greeted by an additional two-wire affair with a fuse, which I had never seen. The fuse filament does not appear to be broken. Look at the photos. What is this for? I am reluctant to adjust the third brush holder to increase the charging rate because what if this wiring addition is some kind of regulator or surge protector and by me attempting to increase the charging rate, I screw something up? I know I need to clean the armature plates, but if they were really terrible, the generator wouldn't even motor.
Should I loosen the third brush plate via the nut (see arrow) and move the holder to increase the charging rate? If not, why does the generator motor, but not put out a charge?
Marshall[image][/image]
-
Moxie26
- Posts: 2033
- Joined: Sun Jan 06, 2019 8:20 pm
- First Name: Robert
- Last Name: Jablonski
- * REQUIRED* Type and Year of Model Ts owned: 1926 Runabout
- Location: New Jersey
- MTFCA Life Member: YES
- Board Member Since: 1999
Re: Another generator question - A new one on me!
Marshall.. that generator could be a Patterson rebuild, as he did put a fuse in like that. I would suggest getting a flathead wood clothespin, cut a strip of 320 sandpaper and apply that to the clothespin head. Start the car and apply the 320 sandpaper to clean up those contacts. You should get the positive reading on your ammeter. Some people have even used brake cleaner spray with the straw attached to clean contacts in the running mode.
-
AndreFordT
- Posts: 553
- Joined: Sun Jan 06, 2019 12:25 pm
- First Name: Andre
- Last Name: Valkenaers
- * REQUIRED* Type and Year of Model Ts owned: 1926 ; 1922 ; 1915.
- Location: Scherpenheuvel
Re: Another generator question - A new one on me!
The fuse should be between the field wire and the third brush.
Why the fuse:
By a broken connection to the battery, the generator will build up his output well over 20V. ( tried it with a volt meter over a test light between the generator post and its house. At 28V the light burned out)
Also the current in the field will go up. The fuse will burn and the generator will be safe.
Andre
Belgium
Why the fuse:
By a broken connection to the battery, the generator will build up his output well over 20V. ( tried it with a volt meter over a test light between the generator post and its house. At 28V the light burned out)
Also the current in the field will go up. The fuse will burn and the generator will be safe.
Andre
Belgium
-
speedytinc
- Posts: 5111
- Joined: Fri Feb 12, 2021 12:24 pm
- First Name: john
- Last Name: karvaly
- * REQUIRED* Type and Year of Model Ts owned: 14/15 wide track roadster. 23 touring, 27 roadster pickup, 20ish rajo touring
- Location: orange, ca
- Board Member Since: 2020
Re: Another generator question - A new one on me!
A generator that wont motor wonr work.
A generator that will motor might work.
I would put back on the motor. Run & clean the commutator with fine sand paper.
Make sure the brushes all move freely & are contacting the commuter.
Take an analog voltage reading @ the output terminal. 0 volts = dead. 7.5V + good.
Start with increasing the 3rd brush.(move toward motor) If you get a good voltage reading or ammeter reading, great.
If not.....
Follow the in car generator adjustment from the service manual.
Still no joy? - rebuild time.
A generator that will motor might work.
I would put back on the motor. Run & clean the commutator with fine sand paper.
Make sure the brushes all move freely & are contacting the commuter.
Take an analog voltage reading @ the output terminal. 0 volts = dead. 7.5V + good.
Start with increasing the 3rd brush.(move toward motor) If you get a good voltage reading or ammeter reading, great.
If not.....
Follow the in car generator adjustment from the service manual.
Still no joy? - rebuild time.
-
Marshall V. Daut
Topic author - Posts: 229
- Joined: Wed Jan 16, 2019 2:57 pm
- First Name: Marshall
- Last Name: Daut
- * REQUIRED* Type and Year of Model Ts owned: 1924 Coupe
- Location: Davenport, Iowa
Re: Another generator question - A new one on me!
I will follow the suggestions given so far, now that I know the in-line fuse is just a protection against burning up the generator. Thank you, all.
Looking for other possible causes of the charge not reaching the ammeter, I studied the HUGE wiring diagram by Patsy Winn, tracing from the generator to the firewall terminal block and hence to the ammeter. When I swapped wires around on the ammeter to get the correct orientation, I noticed that the short wire on the diagram running from "Batt." on the switch to the "+" side ammeter terminal is missing (see yellow arrow on attachment). Granted, the diagram is for a 1919 to 1925 Model T with starter, but unless this wire was dropped in 1926, shouldn't it be there, connecting the switch to the ammeter? That would make TWO wires on the positive ammeter post, not counting the dash light, which is also missing from this car. I am wondering if perhaps the lack of this wire might explain why the charge from the generator isn't making it to the ammeter. Yet, in the wiring diagram in MTFCA's Electrical Booklet, this short wire is present, but the longer wire from the "Batt." terminal strip does NOT run up to the ammeter, meaning the "+" ammeter terminal has only ONE wire connected to it. Which is correct for my friend's 1926 T and could the missing short connecting wire be why the generator's juice doesn't reach the ammeter? Grasping for straws here...
Marshall
Looking for other possible causes of the charge not reaching the ammeter, I studied the HUGE wiring diagram by Patsy Winn, tracing from the generator to the firewall terminal block and hence to the ammeter. When I swapped wires around on the ammeter to get the correct orientation, I noticed that the short wire on the diagram running from "Batt." on the switch to the "+" side ammeter terminal is missing (see yellow arrow on attachment). Granted, the diagram is for a 1919 to 1925 Model T with starter, but unless this wire was dropped in 1926, shouldn't it be there, connecting the switch to the ammeter? That would make TWO wires on the positive ammeter post, not counting the dash light, which is also missing from this car. I am wondering if perhaps the lack of this wire might explain why the charge from the generator isn't making it to the ammeter. Yet, in the wiring diagram in MTFCA's Electrical Booklet, this short wire is present, but the longer wire from the "Batt." terminal strip does NOT run up to the ammeter, meaning the "+" ammeter terminal has only ONE wire connected to it. Which is correct for my friend's 1926 T and could the missing short connecting wire be why the generator's juice doesn't reach the ammeter? Grasping for straws here...
Marshall
-
Mike Silbert
- Posts: 201
- Joined: Sat Feb 08, 2020 11:30 pm
- First Name: Mike
- Last Name: Silbert
- Location: Sykesville Md
- MTFCA Life Member: YES
Re: Another generator question - A new one on me!
Marshall,
For a 1926 wiring diagram I use the ones on the Texas T Parts website
https://www.texastparts.com/mm5/manuals ... iagram.pdf
The wiring to the ammeter can be done in several ways.
Some will work fine and others not so.
And some wiring diagrams and replacement ammeters have the wiring backwards so it needs to be checked carefully.
Sometimes the 2 wires are under the terminal on the switch side and not the ammeter.
While you are in there check that all connections, including the bus bar rivet, are good to prevent future problems.
If the car has a dome light or dash light there will be a 3rd wire somewhere.
The bottom line is that the battery (yellow wire) goes on one side of the ammeter.
The other side gets the generator wire (Yellow w/ black stripe), the Ignition switch wire feed wire (Yellow w/ black stripe), and any dome or dash light wires. Somewhere all these wires get connected together and it can be at the ammeter or the switch terminal marked BAT. The electrons do not care which ends of the jumper wire the generator is hooked to. It belongs on the ammeter stud because that is a taller, stronger connection with more room for stacked connections.
If the ammeter works backwards then all wires on each terminal need to be swapped like you did.
Mike
For a 1926 wiring diagram I use the ones on the Texas T Parts website
https://www.texastparts.com/mm5/manuals ... iagram.pdf
The wiring to the ammeter can be done in several ways.
Some will work fine and others not so.
And some wiring diagrams and replacement ammeters have the wiring backwards so it needs to be checked carefully.
Sometimes the 2 wires are under the terminal on the switch side and not the ammeter.
While you are in there check that all connections, including the bus bar rivet, are good to prevent future problems.
If the car has a dome light or dash light there will be a 3rd wire somewhere.
The bottom line is that the battery (yellow wire) goes on one side of the ammeter.
The other side gets the generator wire (Yellow w/ black stripe), the Ignition switch wire feed wire (Yellow w/ black stripe), and any dome or dash light wires. Somewhere all these wires get connected together and it can be at the ammeter or the switch terminal marked BAT. The electrons do not care which ends of the jumper wire the generator is hooked to. It belongs on the ammeter stud because that is a taller, stronger connection with more room for stacked connections.
If the ammeter works backwards then all wires on each terminal need to be swapped like you did.
Mike
-
Marshall V. Daut
Topic author - Posts: 229
- Joined: Wed Jan 16, 2019 2:57 pm
- First Name: Marshall
- Last Name: Daut
- * REQUIRED* Type and Year of Model Ts owned: 1924 Coupe
- Location: Davenport, Iowa
Re: Another generator question - A new one on me!
Mike -
Thanks for the explanations and 1926-27 wiring diagram. This one shows a wire going from the generator screw in the terminal block to the horn button. Doesn't it usually come from the "Batt." screw in the terminal strip? It seems that no two Model T wiring diagrams agree on all points.
O.K. Given that this Texas T Parts diagram also shows that short connecting wire from the switch to the ammeter, what would be the symptoms if that wire were missing, as in my friend's Model T? That wire must be there for some reason! Everything else electrical seems to work = ignition (on battery and on magneto), headlights, and taillight. The only thing left non-functioning is the generator not sending juice to the ammeter. That fact and the missing connecting wire make me think there is a relationship between the two. Is there? What would happen without that short wire connection?
Marshall
Thanks for the explanations and 1926-27 wiring diagram. This one shows a wire going from the generator screw in the terminal block to the horn button. Doesn't it usually come from the "Batt." screw in the terminal strip? It seems that no two Model T wiring diagrams agree on all points.
O.K. Given that this Texas T Parts diagram also shows that short connecting wire from the switch to the ammeter, what would be the symptoms if that wire were missing, as in my friend's Model T? That wire must be there for some reason! Everything else electrical seems to work = ignition (on battery and on magneto), headlights, and taillight. The only thing left non-functioning is the generator not sending juice to the ammeter. That fact and the missing connecting wire make me think there is a relationship between the two. Is there? What would happen without that short wire connection?
Marshall
-
Humblej
- Posts: 2060
- Joined: Sun Jan 06, 2019 12:23 pm
- First Name: Jeff
- Last Name: Humble
- * REQUIRED* Type and Year of Model Ts owned: 1926 Canadian coupe, 1924 TT C-cab, 1924 runabout
- Location: Charlevoix, Mi
- Board Member Since: 2006
Re: Another generator question - A new one on me!
That short wire from the ammeter to the switch provides electrical power to the lights and the ignition. Without the short wire he will not have lights and the engine will not run with the key on "Bat"... unless he has some non Ford switches and cobbled up wiring that has been modified over the years. Since you have reported that turning on the lights causes the ammeter to indicate a neg or pos, that short wire circuit must be there in some way shape or form.
-
Mike Silbert
- Posts: 201
- Joined: Sat Feb 08, 2020 11:30 pm
- First Name: Mike
- Last Name: Silbert
- Location: Sykesville Md
- MTFCA Life Member: YES
Re: Another generator question - A new one on me!
Marshall,
Besides Ford changing the wiring several times over the years as the Model T was "modernized" creating multiple different wiring diagrams there is more confusion.
Wiring diagrams have been made over the years with varying degrees of accuracy.
Then on top of that wiring harnesses have been made, customized and repaired in various configurations some not stock.
Cloth wiring gets dirty easily and quickly turning all wires black making color codes useless.
Add on top of that harnesses have been installed in different ways by owners over the years and you have a mess.
Do the best you can to follow the wiring diagram but remember it might not be 100% accurate to your situation.
Follow what the car and parts tell you needs to be done.
Double check and test things before calling it good.
I wish things were more clear but it is what we have today.
I am thankful they are as good as we have it after more than 100 years.
Mike
Besides Ford changing the wiring several times over the years as the Model T was "modernized" creating multiple different wiring diagrams there is more confusion.
Wiring diagrams have been made over the years with varying degrees of accuracy.
Then on top of that wiring harnesses have been made, customized and repaired in various configurations some not stock.
Cloth wiring gets dirty easily and quickly turning all wires black making color codes useless.
Add on top of that harnesses have been installed in different ways by owners over the years and you have a mess.
Do the best you can to follow the wiring diagram but remember it might not be 100% accurate to your situation.
Follow what the car and parts tell you needs to be done.
Double check and test things before calling it good.
I wish things were more clear but it is what we have today.
I am thankful they are as good as we have it after more than 100 years.
Mike
-
Ron Patterson
- Posts: 58
- Joined: Tue Apr 22, 2025 6:11 pm
- First Name: Ronald
- Last Name: Patterson
- * REQUIRED* Type and Year of Model Ts owned: 1915 Runabout
- Location: Petoskey, Michigan
Re: Another generator question - A new one on me!
Marahall
If I can help if you give me a call. I think I know what is wrong with the generator.
Trouble shooting the Model T charging/discharging/wiring issues is easy.
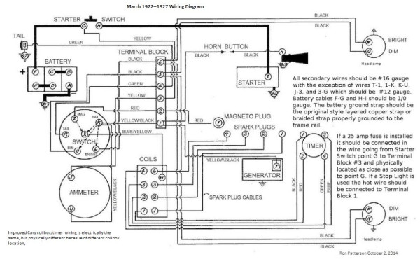
First you need a CORRRECT wiring diagram. Many wiring diagrams being passed around on this forum (including the one shown above and referred to above) are incorrect in several ways. There is a reason the wire from the generator to the switch and jumper to the ammeter is wired the way shown in my diagram, Those pesky 5 wires in the charge/discharge circuits ars shown in the attached diagram for a reason. Verifying this requires a few easy steps.
I realized the incorrect wiring diagram issue issue years ago and made an absolutely correct 1922-1927 wiring diagram (attached). I refuse to use any other wiring diagram when helping other with wiring issues and do nt believe what the owner tell you......Verify first. Nothing is more frustrating that asking the owner and then find out he actually did not know.
Second you need the document I wrote years ago (attached). It is a simple step by step procedure for trouble shooting, understanding how the third-brush regulation generator actually works and how you can verify if it is working correctly.
As stated above the fuse is commonly found added to prevent the generator from destroying itself when the battery is disconnected from the generator and running the engine.
Hope this helps
Ron Patterson
P.S. I did not rebuild the generator above. I only added a fuse if the owner asked me too and then it was done using good workmanship, not that mess. Never take electrical advice from an undertaker
If I can help if you give me a call. I think I know what is wrong with the generator.
Trouble shooting the Model T charging/discharging/wiring issues is easy.
First you need a CORRRECT wiring diagram. Many wiring diagrams being passed around on this forum (including the one shown above and referred to above) are incorrect in several ways. There is a reason the wire from the generator to the switch and jumper to the ammeter is wired the way shown in my diagram, Those pesky 5 wires in the charge/discharge circuits ars shown in the attached diagram for a reason. Verifying this requires a few easy steps.
I realized the incorrect wiring diagram issue issue years ago and made an absolutely correct 1922-1927 wiring diagram (attached). I refuse to use any other wiring diagram when helping other with wiring issues and do nt believe what the owner tell you......Verify first. Nothing is more frustrating that asking the owner and then find out he actually did not know.
Second you need the document I wrote years ago (attached). It is a simple step by step procedure for trouble shooting, understanding how the third-brush regulation generator actually works and how you can verify if it is working correctly.
As stated above the fuse is commonly found added to prevent the generator from destroying itself when the battery is disconnected from the generator and running the engine.
Hope this helps
Ron Patterson
P.S. I did not rebuild the generator above. I only added a fuse if the owner asked me too and then it was done using good workmanship, not that mess. Never take electrical advice from an undertaker
- Attachments
-
- Trouble Shooting the Model T Ford Charging System-6-14-2022.pdf
- (603.14 KiB) Downloaded 4 times
-
Ron Patterson
- Posts: 58
- Joined: Tue Apr 22, 2025 6:11 pm
- First Name: Ronald
- Last Name: Patterson
- * REQUIRED* Type and Year of Model Ts owned: 1915 Runabout
- Location: Petoskey, Michigan
Re: Another generator question - A new one on me!
here is the second attachment.
-
Ron Patterson
- Posts: 58
- Joined: Tue Apr 22, 2025 6:11 pm
- First Name: Ronald
- Last Name: Patterson
- * REQUIRED* Type and Year of Model Ts owned: 1915 Runabout
- Location: Petoskey, Michigan
Re: Another generator question - A new one on me!
Try agian.
- Attachments
-
- Trouble Shooting the Model T Ford Charging System-6-14-2022.docx
- (1.3 MiB) Downloaded 10 times
-
Ron Patterson
- Posts: 58
- Joined: Tue Apr 22, 2025 6:11 pm
- First Name: Ronald
- Last Name: Patterson
- * REQUIRED* Type and Year of Model Ts owned: 1915 Runabout
- Location: Petoskey, Michigan
Re: Another generator question - A new one on me!
Sorry
You can download the PDF
Ron
You can download the PDF
Ron
-
Ron Patterson
- Posts: 58
- Joined: Tue Apr 22, 2025 6:11 pm
- First Name: Ronald
- Last Name: Patterson
- * REQUIRED* Type and Year of Model Ts owned: 1915 Runabout
- Location: Petoskey, Michigan
Re: Another generator question - A new one on me!
Here is another article which simply explains how the Model T charging system works.
- Attachments
-
- The Model T Ford Battery Charging System.pdf
- (322.23 KiB) Downloaded 9 times
-
Marshall V. Daut
Topic author - Posts: 229
- Joined: Wed Jan 16, 2019 2:57 pm
- First Name: Marshall
- Last Name: Daut
- * REQUIRED* Type and Year of Model Ts owned: 1924 Coupe
- Location: Davenport, Iowa
Re: Another generator question - A new one on me!
Wow, Ron! Impressive! I was hoping you'd jump in here with your always useful advice - and you did! I really appreciate all that you wrote and the diagrams/troubleshooting guides you posted. I will read through and study them today and try the simple things first tomorrow when I can return to the generator. Should those not rectify the problem, I will call you. From our past conversations, you know what a dunce I am when it comes to electrical issues. Those problems have been my bug-a-boo in antique cars since I first got into the hobby. My mind simply does not think in terms of electrons and Ohms. And it seems that most Model A's and T's I work on for friends have starter and generator problems inherited from previous owners who skirted by the problems and just left them for me to fix. With Model T's I'd say it's a 50-50 mix between starter and generator woes, probably 20-80 respectively in Model A's. You'd think by now I'd be an expert in all things automotive electric. Nope! What you and others have posted so far ought to help even me correct the problem. But I will turn to you as a last resort if all else fails. That the armature spins when powered gives me great hope that the cause of the non-charging is something simple I have overlooked, possibly as simple as the armature plates being too filthy. Basics first, send in the Marines second.
Thanks again for sharing your expertise with us all. I'm sure I can't be the only electrically-challenged reader here! The information posted by all so far should help those owners out there who are as equally inept electrically as I am.
Marshall
Thanks again for sharing your expertise with us all. I'm sure I can't be the only electrically-challenged reader here! The information posted by all so far should help those owners out there who are as equally inept electrically as I am.
Marshall
-
Scott_Conger
- Posts: 6707
- Joined: Sun Jan 06, 2019 11:18 am
- First Name: Scott
- Last Name: Conger
- * REQUIRED* Type and Year of Model Ts owned: 1919
- Location: not near anywhere, WY
- Board Member Since: 2005
Re: Another generator question - A new one on me!
Accurate wiring diagram, color coded wiring on back of the switch - https://www.mtfca.com/discus/messages/8 ... 1532718210 or a link to Ron's diagram that is a bit larger and easier to see - https://www.mtfca.com/discus/messages/7 ... 1496841727
A generator that motors "slowly" and has a black commutator has problems. Cleaning up the commutator with 320 grit and leaving that finish on it without dressing it with finer and finer grades of paper (to at least 600 or better still, 800-1000) will now have a new problem - a very rough commutator...it might make the generator work for awhile, but proper attention paid to the commutator during remanufacturing (or general putzing around) will be the difference between a very long-lived generator and one that gives up soon after (and add to the "damn generators are no good" myth).
Ensure that the wiring conforms to Ron Patterson's drawing in the link I provided, and ensuring the switch/ammeter is wired as illustrated by Dan Treace in that same (first) link, and finally, let someone who has a proper test set and knows generators look at the generator. Right now, you have questionable wiring and are assuming the generator works - Under those two conditions, you're not on very solid ground to move forward with this problem. Doing these two things will stop all of the tail-chasing. If the generator can be made to function, do not be surprised if the advice is to simply overhaul it anyway. Once a generator looks as this one does, there are any number of marginal issues just waiting to crop up and cause further headaches. A correctly overhauled generator will be capable of running for many thousands of miles over decades of service before needing attention again so long as it is not abused.
Finally, if the generator does finally "wake up" and things are not right on the wiring diagram, you will be very happy to have had that fuse in the generator...check it frequently, as it may eventually be the savior if the armature but the cause of frustration (if you don't know it blew).
Be careful and good luck
WOW - after walking away and coming back to hit "submit", a lot of stuff has occurred! Work with Ron
A generator that motors "slowly" and has a black commutator has problems. Cleaning up the commutator with 320 grit and leaving that finish on it without dressing it with finer and finer grades of paper (to at least 600 or better still, 800-1000) will now have a new problem - a very rough commutator...it might make the generator work for awhile, but proper attention paid to the commutator during remanufacturing (or general putzing around) will be the difference between a very long-lived generator and one that gives up soon after (and add to the "damn generators are no good" myth).
Ensure that the wiring conforms to Ron Patterson's drawing in the link I provided, and ensuring the switch/ammeter is wired as illustrated by Dan Treace in that same (first) link, and finally, let someone who has a proper test set and knows generators look at the generator. Right now, you have questionable wiring and are assuming the generator works - Under those two conditions, you're not on very solid ground to move forward with this problem. Doing these two things will stop all of the tail-chasing. If the generator can be made to function, do not be surprised if the advice is to simply overhaul it anyway. Once a generator looks as this one does, there are any number of marginal issues just waiting to crop up and cause further headaches. A correctly overhauled generator will be capable of running for many thousands of miles over decades of service before needing attention again so long as it is not abused.
Finally, if the generator does finally "wake up" and things are not right on the wiring diagram, you will be very happy to have had that fuse in the generator...check it frequently, as it may eventually be the savior if the armature but the cause of frustration (if you don't know it blew).
Be careful and good luck
WOW - after walking away and coming back to hit "submit", a lot of stuff has occurred! Work with Ron
Scott Conger
Tyranny under the guise of law is still Tyranny
NH Full Flow Float Valves™
Obsolete carburetor parts manufactured
Tyranny under the guise of law is still Tyranny
NH Full Flow Float Valves™
Obsolete carburetor parts manufactured