Another newbie No Start
Forum rules
If you need help logging in, or have question about how something works, use the Support forum located here Support Forum
Complete set of Forum Rules Forum Rules
If you need help logging in, or have question about how something works, use the Support forum located here Support Forum
Complete set of Forum Rules Forum Rules
-
Topic author - Posts: 11
- Joined: Sun Oct 18, 2020 2:41 pm
- First Name: Eric
- Last Name: Shaffer
- * REQUIRED* Type and Year of Model Ts owned: 1914
- Location: Modesto, CA
Another newbie No Start
Good afternoon all! I’m a newbie to the forum, and a real newbie to this beautiful automobile! My neighbor purchased it a little while ago, and was told it just needed a little tune up!! Ya! I’ve been trying for a few weeks to get it started and have had no luck! I originally thought it was a fuel problem, so I replaced the carburetor! Nope! Now I’m thinking spark? But..... I replaced the plugs, I “think” all the coil packs are firing, but not sure? Any help is greatly appreciated! There’s no spit sputter or even a cough? I’m not an expert mechanic, but I know a little something about turning a wrench? Just trying to get this beauty moving again!
Thank you in advance!
Thank you in advance!
- Attachments
-
- A199E5D7-D003-47CA-A673-59EE643EE222.jpeg (35.08 KiB) Viewed 7197 times
-
- 93A1CBCD-79BE-4BF3-A697-8500019C14F5.jpeg (31.83 KiB) Viewed 7197 times
-
- Posts: 2888
- Joined: Sun Jan 06, 2019 5:25 pm
- First Name: George
- Last Name: House
- * REQUIRED* Type and Year of Model Ts owned: ‘10 Maxwell AA, ‘11Hupp Model 20, Two 1914 Ford runabouts, 19 centerdoor, 25 C Cab,26 roadster
- Location: Northern Caldwell County TX
- MTFCA Life Member: YES
- Board Member Since: 1999
Re: Another newbie No Start
Welcome to this awesome fun packed hobby! You’re correct in expecting engine problems to either be electrical or fuel. Does gasoline make it to the carb bowl ? The firing order is 1,2,4,3. You may remove the spark plugs, lay them on the head and reattach the wires while hand cranking the engine through this firing order. Good, hot, blue spark ? While the plugs are out do a compression check for each cylinder. Make sure the spark lever is sufficiently retarded or a backfire might injure the Cranker.
A Fine is a Tax for Doing Something Wrong….A Tax is a Fine for Doing Something RIGHT 
-
- Posts: 55
- Joined: Thu Jan 10, 2019 1:54 pm
- First Name: Brent
- Last Name: Teltow
- * REQUIRED* Type and Year of Model Ts owned: 1917 touring 192
- Location: Michigan
Re: Another newbie No Start
Do you have a charged battery? If so is the key switch turned to battery? Slowly hand cranking, you should hear each individual coils buzz. I have been around these cars for about 6 year’s. Definitely still learning, you need the service book. It helps wonders, and so does this forum.
-
Topic author - Posts: 11
- Joined: Sun Oct 18, 2020 2:41 pm
- First Name: Eric
- Last Name: Shaffer
- * REQUIRED* Type and Year of Model Ts owned: 1914
- Location: Modesto, CA
Re: Another newbie No Start
Thank you so much for all the useful information! I currently have the plugs out, and the wires attached! All the plugs are firing, though I will need to check the order! I didn’t really pay attention to that! Oops!
I do not have a battery in the vehicle? Honestly, I can’t see a place to locate one? There are two wires that I believe would go to a battery, but I have no idea where it would go? I have a trickle charger attached to those two wires, set on a 6 volt setting, and I do hear the coils firing.
Spark retarded? Now ya lost me? But I already know what you mean about injuring the starter! 2 weeks ago I threw my back out trying to start this puppy! Lol
Oh and service book? Where might I get one of those?
Thanks again!
I do not have a battery in the vehicle? Honestly, I can’t see a place to locate one? There are two wires that I believe would go to a battery, but I have no idea where it would go? I have a trickle charger attached to those two wires, set on a 6 volt setting, and I do hear the coils firing.
Spark retarded? Now ya lost me? But I already know what you mean about injuring the starter! 2 weeks ago I threw my back out trying to start this puppy! Lol
Oh and service book? Where might I get one of those?
Thanks again!
-
- Posts: 271
- Joined: Sun Jan 06, 2019 7:26 pm
- First Name: David
- Last Name: Schwab
- Location: Northwest Ohio
Re: Another newbie No Start
Just curious, do you have a good flow of fuel getting to the carb?
-
- Posts: 271
- Joined: Sun Jan 06, 2019 7:26 pm
- First Name: David
- Last Name: Schwab
- Location: Northwest Ohio
Re: Another newbie No Start
A little shot of starting fluid in the carb, then crank should tell you if it's a spark or fuel problem. If the spark is good It will fire for about 2 seconds. Careful, only a 1-2 second shot of starting fluid.... a little goes a long way. If it doesn't fire the ignition probably needs some help.
-
Topic author - Posts: 11
- Joined: Sun Oct 18, 2020 2:41 pm
- First Name: Eric
- Last Name: Shaffer
- * REQUIRED* Type and Year of Model Ts owned: 1914
- Location: Modesto, CA
Re: Another newbie No Start
I e got gas in the bowl of the carb. Seems to be getting where it needs to. I reckon I’ll try a shot or two of the starting fluid to see if anything goes!! Thanks y’all, keep it coming!
-
- Posts: 7342
- Joined: Fri Jan 04, 2019 9:37 pm
- First Name: Steve
- Last Name: Jelf
- * REQUIRED* Type and Year of Model Ts owned: 1923 touring and a few projects
- Location: Parkerfield, Kansas
- Board Member Since: 2007
- Contact:
Re: Another newbie No Start
First, welcome to the affliction, as the saying goes.
Your non-start could be due to just one thing, but more likely it's more than one. This should help: http://dauntlessgeezer.com/DG93.html. That covers everything, so you may not need all of it.
The Service Manual is available from all the dealers in new parts, along with a lot of other useful books. http://dauntlessgeezer.com/DG93.html.
Some of the best parts dealers are included here: https://www.mtfca.com/model-t-ford-suppliers/.
From the pictures it appears you're dealing with a 1914 or earlier chassis. That means no electric starter unless one has been added, and the battery goes wherever you want. With no electric starter the battery doesn't have to be very big. http://dauntlessgeezer.com/DG102.html.
When that beastie does start up you want it to be a safe start. http://dauntlessgeezer.com/DG101.html.
Mitch Taylor demonstrates starting procedures here: https://www.youtube.com/watch?v=QxfHMtgg2d8&t=15s
Your non-start could be due to just one thing, but more likely it's more than one. This should help: http://dauntlessgeezer.com/DG93.html. That covers everything, so you may not need all of it.
The Service Manual is available from all the dealers in new parts, along with a lot of other useful books. http://dauntlessgeezer.com/DG93.html.
Some of the best parts dealers are included here: https://www.mtfca.com/model-t-ford-suppliers/.
From the pictures it appears you're dealing with a 1914 or earlier chassis. That means no electric starter unless one has been added, and the battery goes wherever you want. With no electric starter the battery doesn't have to be very big. http://dauntlessgeezer.com/DG102.html.
When that beastie does start up you want it to be a safe start. http://dauntlessgeezer.com/DG101.html.
Mitch Taylor demonstrates starting procedures here: https://www.youtube.com/watch?v=QxfHMtgg2d8&t=15s
The inevitable often happens.
1915 Runabout
1923 Touring
1915 Runabout
1923 Touring
-
- Posts: 2448
- Joined: Sun Jan 06, 2019 10:55 pm
- First Name: James
- Last Name: Patrick
- * REQUIRED* Type and Year of Model Ts owned: 1926 Coupe
- Location: Bartow, FL
- Board Member Since: 2001
Re: Another newbie No Start
First of all, I would recommend that you please get the below books and study up on your Model T. A lack of knowledge can get you and others hurt or killed.
You will not be able to start your T without a battery, so that is the first thing you need to do. You will need a 6 volt battery with the positive at the northwest corner and the negative at the southeast corner, closest to the chassis where it is negatively grounded. Positive goes toward the front. In my 1926 coupe, the battery is located behind the driver’s seat below the floor and is accessed through a trap door behind the driver. If you crawl under the car, you can, more easily locate the holder. There might even be a battery in it that can be used to trade in for a core charge, if the battery is bad. I get my batteries from Auto Zone. Take measurements of the battery holder including height and take the measurements there and they will match you with a battery matching your measurements.
If the gas tank does not need to be flushed, the filter is not clogged up and you have new gas in the tank you are close to being ready to crank the car. Make sure you have an ABC fire extinguisher handy in case the carburetor, gas tank, or fittings leak.
There is also the matter of making sure your spark coils are good and getting the adjustment right on them. To make sure of this, it adviseable that you send them to an expert to check and possibly rebuild and adjust, using a special piece of equipment for this. It should not be done by ear or sight. There are several members of the MTFCA that do this for a reasonable fee per spark coil.
If your carb has not been rebuilt, it should be to ensure it does not leak. Rebuild kits can be purchased from Lang’s or Snyder’s. All carbs are different, so start with 1 counterclockwise turn of the choke from the closed position (7/8 to 1 1/8 turns). You may need to set the float level. On my Holley NH the float level is set 15/64” from the flange to the top of the float. Turn the key to BATT retard the spark and advance the gas. Engage the emergency brake which also puts the transmission in neutral. Be sure to chock the wheels, if you are not sure if the emergency brake is set properly, so it will not run over you and take off through the back wall of the garage. When starting with the crank, position the crank at 7:00 and using just your four fingers (do not wrap your thumb around the crank), engage the crank ratchet in the front pin of the crankshaft, Pull the brass choke ring and hold it while yanking the crank up clockwise to 12:00 and let go and quickly get your hand out of the way (Some people prime the carb by keeping the key off while holding the choke ring and cranking several times, then turn the key to BATT and then cranking without holding the ring out). When cranking with the crank, you let go at 12:00 and quickly get your hand out of the way, in case there is a backfire, that will cause the crank to spin counterclockwise and break anything that is in the way. If the car starts, quickly go to the cab and advance the spark, give it some gas by pulling down on the throttle lever and switch the key to MAG. Now you are ready to cautiously learn to drive it. Good luck. Jim Patrick
You will not be able to start your T without a battery, so that is the first thing you need to do. You will need a 6 volt battery with the positive at the northwest corner and the negative at the southeast corner, closest to the chassis where it is negatively grounded. Positive goes toward the front. In my 1926 coupe, the battery is located behind the driver’s seat below the floor and is accessed through a trap door behind the driver. If you crawl under the car, you can, more easily locate the holder. There might even be a battery in it that can be used to trade in for a core charge, if the battery is bad. I get my batteries from Auto Zone. Take measurements of the battery holder including height and take the measurements there and they will match you with a battery matching your measurements.
If the gas tank does not need to be flushed, the filter is not clogged up and you have new gas in the tank you are close to being ready to crank the car. Make sure you have an ABC fire extinguisher handy in case the carburetor, gas tank, or fittings leak.
There is also the matter of making sure your spark coils are good and getting the adjustment right on them. To make sure of this, it adviseable that you send them to an expert to check and possibly rebuild and adjust, using a special piece of equipment for this. It should not be done by ear or sight. There are several members of the MTFCA that do this for a reasonable fee per spark coil.
If your carb has not been rebuilt, it should be to ensure it does not leak. Rebuild kits can be purchased from Lang’s or Snyder’s. All carbs are different, so start with 1 counterclockwise turn of the choke from the closed position (7/8 to 1 1/8 turns). You may need to set the float level. On my Holley NH the float level is set 15/64” from the flange to the top of the float. Turn the key to BATT retard the spark and advance the gas. Engage the emergency brake which also puts the transmission in neutral. Be sure to chock the wheels, if you are not sure if the emergency brake is set properly, so it will not run over you and take off through the back wall of the garage. When starting with the crank, position the crank at 7:00 and using just your four fingers (do not wrap your thumb around the crank), engage the crank ratchet in the front pin of the crankshaft, Pull the brass choke ring and hold it while yanking the crank up clockwise to 12:00 and let go and quickly get your hand out of the way (Some people prime the carb by keeping the key off while holding the choke ring and cranking several times, then turn the key to BATT and then cranking without holding the ring out). When cranking with the crank, you let go at 12:00 and quickly get your hand out of the way, in case there is a backfire, that will cause the crank to spin counterclockwise and break anything that is in the way. If the car starts, quickly go to the cab and advance the spark, give it some gas by pulling down on the throttle lever and switch the key to MAG. Now you are ready to cautiously learn to drive it. Good luck. Jim Patrick
-
- Posts: 4683
- Joined: Tue Jan 08, 2019 1:39 pm
- First Name: Norman
- Last Name: Kling
- Location: Alpine California
Re: Another newbie No Start
I was going to refer you to the closest local club to where you live, but unfortunately, the home page has been changed and I don't find the list of local chapters anymore. Maybe someone from your area will come forward with an invitation. It is good to have someone in your area who is familiar with the Model T to mentor you.
Now to attempt to answer your questions. That car is an early brass model, at least the radiator is and those cars did not come from the factory with a battery, generator, or starter. So hand crank is or pushing the car is the only way to get it started.
You can install a 6 volt battery and connect it to the ignition switch in the battery position. Be VERY careful not to let it come in contact with the magneto contact or the magneto switch position, because connecting a battery to the magneto can discharge the magneto.
Did you buy the car, or are you working on it to fix it for your neighbor? Do you know how long it has been setting since it ran, and why was it parked? Did he have trouble with it before, or just park it and then could not get it to start? These things are important in determining what needs to be done to repair it. Since you get a good spark at each cylinder the problem is not likely in the ignition circuit unless it involves timing. So first I will attempt to address the ignition timing.
With the spark plugs out, and you crank over the engine slowly put your finger or thumb in the spark plug hole while the crank is turning. You will find the compression stroke when the piston is moving up toward the top of the cylinder, there should be air pressure against your finger. When the piston gets to the top, the blowing will stop. Now find the position where the piston is moving upward on number one cylinder, that is the one closest to the radiator. As it reaches the top, note the position of the pin which goes through the front pulley of the crankshaft. If you can't see it, you can remove the fan belt and you will see the holes in the end of the pulley. When the piston reaches the top the pin should be straight across.Very slowly turn the engine just a fraction until the right side of the pin as you face the engine from the radiator, should be down just a little, Think of a 9:20 position on a clock dial. With the pulley in that position push the spark lever to the left side of the steering wheel all the way up. Next, disconnect the rod between the timer and the steering column at either end and with the key to battery (with battery connected) rotate the timer. rotating the timer clockwise as you face from the radiator, will retard the spark and counter clockwise will advance the spark. Find the point where where in the retarded position there is no buzzing of the coils and then rotate counter clockwise very slowly until you reach the point where it just starts to buzz, no farther. Then if the rod does not fit without moving the timer, bend the rod to retard or straighten it out to advance and make the rod just the length to fit without moving the timer. Then to double check, turn the engine until you reach the next point where it starts to buzz. The pin through the pulley should be 9:20 position. Turn off the ignition switch.
Now to check the fuel. Before you install the spark plugs, put a few drops of crankcase oil in each cylinder and rotate the engine a few turns. Then put the spark plugs back in. With the parking brake set, and a chock block in front of one of the wheels. Be sure the gas valve on the sediment bulb and if there is another valve near the carburetor both valves should be open and there should be at least a couple gallons of gas in the tank. Turn the needle valve on the carburetor gently clockwise until it stops turning. Note, do not turn it down hard or you could damage the valve. Now back the valve counter clock wise about 1 1/2 turn. Be sure the spark lever is all the way retarded, that is in the up position. The accelerator lever should be down about 1/4 way on the quadrant. Crank the engine over a few times with the choke pulled. If you pull the crank more than 3 or 4 cylinders it will cause gas to start dripping under the carburetor. this indicates a flooded condition, but you will be sure the gas is flowing through the carburetor and there is enough vacuum to suck gas into the cylinders. You might want to crank a few pulls without the choke to clear it if it is flooded. Now turn on the key and try to crank start. Always pull up on the crank, do not put the thumb around the crank handle and when you reach the top, pull your hand and arm up away from the crank. If it won't start with the crank, you can tow the car. Put a tow strap around the frame or if you cannot get it around the frame, attach to the front spring. but not to the axle. You don't want to bend the axle or pull the ball joint out of the socket in back of the engine. Pull in neutral When you get up to about 15 MPH with the key on, let the clutch out into high gear. The engine might start if you are lucky. If it starts, pull down the spark lever and turn the needle on the carburetor to find the smoothest spot. If you turn it clockwise it will lean the mixture and the engine will start to sputter, back it off until it runs smoothly, If you turn the valve counter clockwise, it will enrich the mixture and start to lope. Find the spot between those two points where it runs most smoothly. Usually, if you start the engine often, it will start right up with the crank. Always remember to retard the spark before cranking. On some cars if you are trying to start it on magneto, you will need to pull the spark down a notch or two to get it to spark with the crank, but I would advise you to try with it all the way up, and if you don't get a sputter, advance it one notch and try again and if not advance one more notch. But note ALWAYS pull your hand and arm away quickly, because if it kicks, the crank will spin backward and could hit your hand. That is a lot said, and maybe you already know much of it, but I am assuming you have never tried to start a T before, so have given you the full story. When you turn off the engine to park the car, be sure to turn off the fuel valve.
Norm
Now to attempt to answer your questions. That car is an early brass model, at least the radiator is and those cars did not come from the factory with a battery, generator, or starter. So hand crank is or pushing the car is the only way to get it started.
You can install a 6 volt battery and connect it to the ignition switch in the battery position. Be VERY careful not to let it come in contact with the magneto contact or the magneto switch position, because connecting a battery to the magneto can discharge the magneto.
Did you buy the car, or are you working on it to fix it for your neighbor? Do you know how long it has been setting since it ran, and why was it parked? Did he have trouble with it before, or just park it and then could not get it to start? These things are important in determining what needs to be done to repair it. Since you get a good spark at each cylinder the problem is not likely in the ignition circuit unless it involves timing. So first I will attempt to address the ignition timing.
With the spark plugs out, and you crank over the engine slowly put your finger or thumb in the spark plug hole while the crank is turning. You will find the compression stroke when the piston is moving up toward the top of the cylinder, there should be air pressure against your finger. When the piston gets to the top, the blowing will stop. Now find the position where the piston is moving upward on number one cylinder, that is the one closest to the radiator. As it reaches the top, note the position of the pin which goes through the front pulley of the crankshaft. If you can't see it, you can remove the fan belt and you will see the holes in the end of the pulley. When the piston reaches the top the pin should be straight across.Very slowly turn the engine just a fraction until the right side of the pin as you face the engine from the radiator, should be down just a little, Think of a 9:20 position on a clock dial. With the pulley in that position push the spark lever to the left side of the steering wheel all the way up. Next, disconnect the rod between the timer and the steering column at either end and with the key to battery (with battery connected) rotate the timer. rotating the timer clockwise as you face from the radiator, will retard the spark and counter clockwise will advance the spark. Find the point where where in the retarded position there is no buzzing of the coils and then rotate counter clockwise very slowly until you reach the point where it just starts to buzz, no farther. Then if the rod does not fit without moving the timer, bend the rod to retard or straighten it out to advance and make the rod just the length to fit without moving the timer. Then to double check, turn the engine until you reach the next point where it starts to buzz. The pin through the pulley should be 9:20 position. Turn off the ignition switch.
Now to check the fuel. Before you install the spark plugs, put a few drops of crankcase oil in each cylinder and rotate the engine a few turns. Then put the spark plugs back in. With the parking brake set, and a chock block in front of one of the wheels. Be sure the gas valve on the sediment bulb and if there is another valve near the carburetor both valves should be open and there should be at least a couple gallons of gas in the tank. Turn the needle valve on the carburetor gently clockwise until it stops turning. Note, do not turn it down hard or you could damage the valve. Now back the valve counter clock wise about 1 1/2 turn. Be sure the spark lever is all the way retarded, that is in the up position. The accelerator lever should be down about 1/4 way on the quadrant. Crank the engine over a few times with the choke pulled. If you pull the crank more than 3 or 4 cylinders it will cause gas to start dripping under the carburetor. this indicates a flooded condition, but you will be sure the gas is flowing through the carburetor and there is enough vacuum to suck gas into the cylinders. You might want to crank a few pulls without the choke to clear it if it is flooded. Now turn on the key and try to crank start. Always pull up on the crank, do not put the thumb around the crank handle and when you reach the top, pull your hand and arm up away from the crank. If it won't start with the crank, you can tow the car. Put a tow strap around the frame or if you cannot get it around the frame, attach to the front spring. but not to the axle. You don't want to bend the axle or pull the ball joint out of the socket in back of the engine. Pull in neutral When you get up to about 15 MPH with the key on, let the clutch out into high gear. The engine might start if you are lucky. If it starts, pull down the spark lever and turn the needle on the carburetor to find the smoothest spot. If you turn it clockwise it will lean the mixture and the engine will start to sputter, back it off until it runs smoothly, If you turn the valve counter clockwise, it will enrich the mixture and start to lope. Find the spot between those two points where it runs most smoothly. Usually, if you start the engine often, it will start right up with the crank. Always remember to retard the spark before cranking. On some cars if you are trying to start it on magneto, you will need to pull the spark down a notch or two to get it to spark with the crank, but I would advise you to try with it all the way up, and if you don't get a sputter, advance it one notch and try again and if not advance one more notch. But note ALWAYS pull your hand and arm away quickly, because if it kicks, the crank will spin backward and could hit your hand. That is a lot said, and maybe you already know much of it, but I am assuming you have never tried to start a T before, so have given you the full story. When you turn off the engine to park the car, be sure to turn off the fuel valve.
Norm
-
- Posts: 2293
- Joined: Sun Jan 06, 2019 11:39 am
- First Name: Tim
- Last Name: Juhl
- * REQUIRED* Type and Year of Model Ts owned: 1917 Touring
- Location: Thumb of Michigan
- Board Member Since: 2018
Re: Another newbie No Start
May I also suggest you locate your nearest Model T club and get to know some of the guys..... they'll be more than happy to take a look at your car and offer some advice and help. This is a link to California MTFCA Clubs <https://www.mtfca.com/chapters/#ca> and the one California chapter of the MTFCI located in the Sacramento Valley <http://clubs.hemmings.com/svmtc/>
Model T's are different than almost any vehicle you might be familiar with. It's challenging but rewarding to bring one back to life and you meet the greatest people along the way.
Model T's are different than almost any vehicle you might be familiar with. It's challenging but rewarding to bring one back to life and you meet the greatest people along the way.
1917 Touring
1946 Aeronca Champ
1952 Willys M38a1 Jeep (sold 2023)
1953 Ford Jubilee Tractor
1946 Aeronca Champ
1952 Willys M38a1 Jeep (sold 2023)
1953 Ford Jubilee Tractor
-
- Posts: 2448
- Joined: Sun Jan 06, 2019 10:55 pm
- First Name: James
- Last Name: Patrick
- * REQUIRED* Type and Year of Model Ts owned: 1926 Coupe
- Location: Bartow, FL
- Board Member Since: 2001
Re: Another newbie No Start
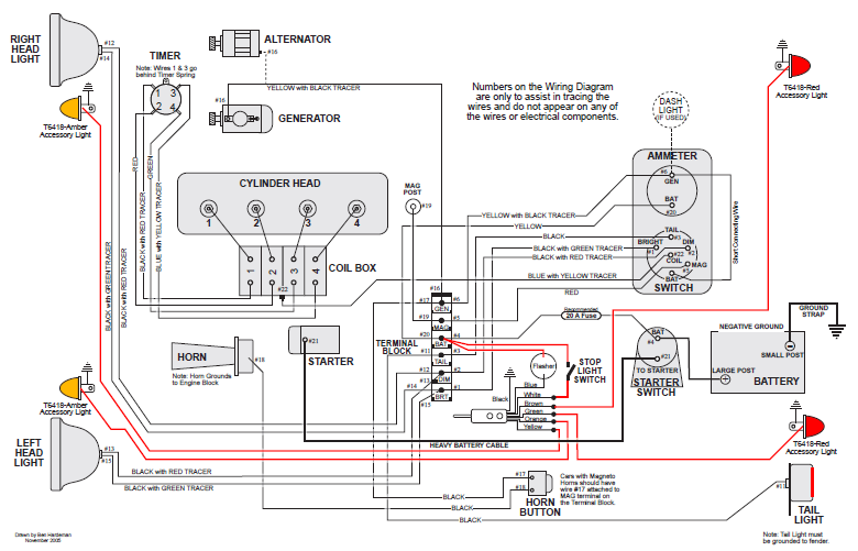
Here are a few diagrams to help you trace the wiring. Jim Patrick
-
- Posts: 6898
- Joined: Sun Jan 06, 2019 7:21 pm
- First Name: Allan
- Last Name: Bennett
- * REQUIRED* Type and Year of Model Ts owned: 1912 van, 1917 shooting brake, 1929 roadster buckboard, 1924 tourer, 1925 barn find buckboard, 1925 D &F wide body roadster, 1927LHD Tudor sedan.
- Location: Gawler, Australia
Re: Another newbie No Start
The two wires, a lack of battery, don't know where one would be mounted are all a bit confusing. One post points to having the battery in the original carrier and suggests the type of battery used in that application. That info is pertinent to a starter equipped car. You are dealing with an earlier car which most likely does not have a starter. You are also dealing with a non standard body. So, the battery could be installed anywhere. The two wires may well be at the mounting place. If the battery was used for ignition only, it does not need to me a full sized lead acid style battery. A much smaller motorcycle sealed battery is quite adequate, around 12-14 amps.
Hope this helps,
Allan from down under.
Hope this helps,
Allan from down under.
-
Topic author - Posts: 11
- Joined: Sun Oct 18, 2020 2:41 pm
- First Name: Eric
- Last Name: Shaffer
- * REQUIRED* Type and Year of Model Ts owned: 1914
- Location: Modesto, CA
Re: Another newbie No Start
Wow!
Fantastic information! Thank you all so much! I will do a few of these things, but I will be reaching out for some...In person assistance as well!
From my understanding there was a local club here in my home town of Modesto, but there was a paperwork issue with the taxes or something?
I do believe there are still some folks around that hopefully will run across this thread and reach out? My job is crazy right now, not enough help so I'm working 6 days out of 7 but I'm really digging on this car! I have an old Dodge truck (1961) that is my main passion right now, but when my neighbor picked this up, and asked me to work on it, I jumped at the chance! I love learning new things! This one has proven to be a lot of new learning!
Thank you all again for all the great information! I can't wait to hear this thing running....In due time!
Fantastic information! Thank you all so much! I will do a few of these things, but I will be reaching out for some...In person assistance as well!
From my understanding there was a local club here in my home town of Modesto, but there was a paperwork issue with the taxes or something?
I do believe there are still some folks around that hopefully will run across this thread and reach out? My job is crazy right now, not enough help so I'm working 6 days out of 7 but I'm really digging on this car! I have an old Dodge truck (1961) that is my main passion right now, but when my neighbor picked this up, and asked me to work on it, I jumped at the chance! I love learning new things! This one has proven to be a lot of new learning!
Thank you all again for all the great information! I can't wait to hear this thing running....In due time!
-
- Posts: 7342
- Joined: Fri Jan 04, 2019 9:37 pm
- First Name: Steve
- Last Name: Jelf
- * REQUIRED* Type and Year of Model Ts owned: 1923 touring and a few projects
- Location: Parkerfield, Kansas
- Board Member Since: 2007
- Contact:
Re: Another newbie No Start
Guys, let's pay attention, shall we? As Norm and I have pointed out, the pictures suggest this is most likely a pre-starter car. Let's aim our suggestions in that direction until we find out otherwise.
The inevitable often happens.
1915 Runabout
1923 Touring
1915 Runabout
1923 Touring
-
- Posts: 2448
- Joined: Sun Jan 06, 2019 10:55 pm
- First Name: James
- Last Name: Patrick
- * REQUIRED* Type and Year of Model Ts owned: 1926 Coupe
- Location: Bartow, FL
- Board Member Since: 2001
Re: Another newbie No Start
Eric. More pictures please of the engine (both sides), the interior and instruments, the underside, if possible, and the body and woodwork. What is the engine number (driver’s side of the engine above the water inlet). Jim Patrick
-
Topic author - Posts: 11
- Joined: Sun Oct 18, 2020 2:41 pm
- First Name: Eric
- Last Name: Shaffer
- * REQUIRED* Type and Year of Model Ts owned: 1914
- Location: Modesto, CA
Re: Another newbie No Start
There is NO starter, hand crank in the front. I deliver mail for the USPS in a little town not far from here. I used to drive a tow try for a local AAA company here in town. When my neighbor bought this T, she bought it from a customer, I deliver mail to! She called me and I went and grabbed a tow truck and hauled it to her house , next door. Then we pushed it into my garage. The previous owner stated that it was running and driving then it got a 2 rear flats so he parked it for a bit, that turned into a year. He bought new tires but never put them on. He said all it needed was the gas tank and carb flushed. I cleaned the tank, soaked the carb, didn’t get a good result from the carb so I sent it to a company in Massachusetts to get rebuilt. Apparently the carb that was on it was something they didn’t rebuild so I purchased one off the shelf that they had already rebuilt. It’s a Holly NH you should be able to see it in the picture. Here are some additional pictures. Looks like someone has painted over the engine number. I can see any numbers?
- Attachments
-
- 4F632D0B-EA5B-4C26-BCE8-335234E26528.jpeg (25.78 KiB) Viewed 6929 times
-
- FD601F26-CDB0-4AD7-8876-2AF53834B280.jpeg (29.67 KiB) Viewed 6929 times
-
- EBC899EC-2F11-4DF2-B737-DB11403E4B06.jpeg (34.77 KiB) Viewed 6929 times
-
- BC62F579-66EB-4DB0-BC19-AC07E7F0EA60.jpeg (28.6 KiB) Viewed 6929 times
-
- 45EB1133-A2E6-47FF-852C-BBDCBB7CD884.jpeg (32.1 KiB) Viewed 6929 times
-
Topic author - Posts: 11
- Joined: Sun Oct 18, 2020 2:41 pm
- First Name: Eric
- Last Name: Shaffer
- * REQUIRED* Type and Year of Model Ts owned: 1914
- Location: Modesto, CA
Re: Another newbie No Start
More pictures
- Attachments
-
- 01A5DBC8-6B16-4BA6-8A19-8BD74D6006BF.jpeg (20.95 KiB) Viewed 6928 times
-
- 9618BD83-06FE-4993-B911-8F9B22BE9FF1.jpeg (15.88 KiB) Viewed 6928 times
-
- 1CE7EE51-227E-4307-A8DF-EDE2B536E74B.jpeg (32.86 KiB) Viewed 6928 times
-
- B1DCCA54-6DAD-439B-9DE4-612D3D8AEB05.jpeg (29.67 KiB) Viewed 6928 times
-
- 8D8C1429-16EF-4002-8059-961C2636CB34.jpeg (20.76 KiB) Viewed 6928 times
-
Topic author - Posts: 11
- Joined: Sun Oct 18, 2020 2:41 pm
- First Name: Eric
- Last Name: Shaffer
- * REQUIRED* Type and Year of Model Ts owned: 1914
- Location: Modesto, CA
Re: Another newbie No Start
And more still
- Attachments
-
- 4223256D-4A97-445F-A2A7-8E622D304D9B.jpeg (21.13 KiB) Viewed 6927 times
-
- 30181A56-F18C-406D-A01B-B3E22F1BC698.jpeg (22.63 KiB) Viewed 6927 times
-
- DC99AB04-EEE8-4483-9E24-D504F7791926.jpeg (20.72 KiB) Viewed 6927 times
-
- 5053FB80-79E5-4592-8A5A-C51B9B76B09D.jpeg (30.14 KiB) Viewed 6927 times
-
- 6E04117B-0B4D-48AE-8243-652C6DCBF0D4.jpeg (32.11 KiB) Viewed 6927 times
-
- Posts: 7342
- Joined: Fri Jan 04, 2019 9:37 pm
- First Name: Steve
- Last Name: Jelf
- * REQUIRED* Type and Year of Model Ts owned: 1923 touring and a few projects
- Location: Parkerfield, Kansas
- Board Member Since: 2007
- Contact:
Re: Another newbie No Start
I see more hints at 1914 or earlier.
The engine serial number should be here. The other photo suggests it may be filled with paint. Maybe some coarse sandpaper will make it readable.
The engine serial number should be here. The other photo suggests it may be filled with paint. Maybe some coarse sandpaper will make it readable.
The inevitable often happens.
1915 Runabout
1923 Touring
1915 Runabout
1923 Touring
-
Topic author - Posts: 11
- Joined: Sun Oct 18, 2020 2:41 pm
- First Name: Eric
- Last Name: Shaffer
- * REQUIRED* Type and Year of Model Ts owned: 1914
- Location: Modesto, CA
Re: Another newbie No Start
I knew there should be a number on that motor somewhere! I’ll try and bring it out a little tomorrow when I get home. I have one more picture to show. Not sure if this number is accurate? But it’s a nice piece of history to go with it. An old registration card!
-
- Posts: 2914
- Joined: Sun Jan 06, 2019 1:30 pm
- First Name: Dave
- Last Name: Hjortnaes
- * REQUIRED* Type and Year of Model Ts owned: 24 Speedster, 20 touring
- Location: Men Falls, WI
Re: Another newbie No Start
I hope you towed it home on a flatbed and not on its own four tires.
-
- Posts: 6391
- Joined: Tue Jan 08, 2019 4:56 pm
- First Name: Frank
- Last Name: Brandi
- * REQUIRED* Type and Year of Model Ts owned: Speedsters (1919 w 1926 upgrades), 1926 (Ricardo Head)
- Location: Moline IL
- Board Member Since: 2018
Re: Another newbie No Start
If the number on the tag 566404 is in fact the engine number it would indicate that the engine is an August 1914. If the coil box lid was made in one piece and has rounded corners , see photo, the box is 1914 (repro coil box $299 + repro switch $274). Since many parts (but not all) of following years were backward compatible it would help to id as many as possibleMousecat wrote: ↑Mon Oct 19, 2020 12:18 amI knew there should be a number on that motor somewhere! I’ll try and bring it out a little tomorrow when I get home. I have one more picture to show. Not sure if this number is accurate? But it’s a nice piece of history to go with it. An old registration card!
engine numbers http://www.mtfca.com/encyclo/sernos.htm The number in this picture is in the range of an engine number but different t han he one on the tag - all is hard to read bu t looks like SYVERSON CART CO 552589 also a Aug 1914 engine number. NOTE: Syverson Cart Co should not be confused with Syverson Cabinet Co
- Attachments
-
- 9618BD83-06FE-4993-B911-8F9B22BE9FF1.jpeg (10.61 KiB) Viewed 6896 times
The past is a great place and I don't want to erase it or to regret it, but I don't want to be its prisoner either.
Mick Jagger
Mick Jagger
-
- Posts: 7342
- Joined: Fri Jan 04, 2019 9:37 pm
- First Name: Steve
- Last Name: Jelf
- * REQUIRED* Type and Year of Model Ts owned: 1923 touring and a few projects
- Location: Parkerfield, Kansas
- Board Member Since: 2007
- Contact:
Re: Another newbie No Start
It's unlikely that the engine has been changed since that 1976 registration, so 566404 is probably the engine number buried under paint. That dates the engine assembly to Thursday, August 27, 1914. The 1915 model year came late, so that date is solidly 1914.
1914: August 1913 to January 1915 approx. [August 1913 through December 1914 approx.]
1915: September 1914 (Sedan), October (Coupelet) and January 1915 (open cars) to August 1915.
1914: August 1913 to January 1915 approx. [August 1913 through December 1914 approx.]
1915: September 1914 (Sedan), October (Coupelet) and January 1915 (open cars) to August 1915.
The inevitable often happens.
1915 Runabout
1923 Touring
1915 Runabout
1923 Touring
-
- Posts: 6898
- Joined: Sun Jan 06, 2019 7:21 pm
- First Name: Allan
- Last Name: Bennett
- * REQUIRED* Type and Year of Model Ts owned: 1912 van, 1917 shooting brake, 1929 roadster buckboard, 1924 tourer, 1925 barn find buckboard, 1925 D &F wide body roadster, 1927LHD Tudor sedan.
- Location: Gawler, Australia
Re: Another newbie No Start
Eric, I tried to add in my post that a battery for ignition purposes does not need to be 6 volt, but it did not post. A 12 volt motor cycle type sealed unit is perfectly adequate. I use a 12 amp one in my 1912 van and a larger 16 amp in my 1917 model. The only difference is the larger one will allow longer running before charging. A added bonus is stop/brake/indicator bulbs are standard over-the-counter items at any parts store.
Allan from down under.
Allan from down under.
-
Topic author - Posts: 11
- Joined: Sun Oct 18, 2020 2:41 pm
- First Name: Eric
- Last Name: Shaffer
- * REQUIRED* Type and Year of Model Ts owned: 1914
- Location: Modesto, CA
Re: Another newbie No Start
Thanks folks for all this great information! I have a few ideas on things to do, I just need to find the time to get them moving! I am in no means in a hurry for any of this so I can take my time. Hopefully I can get something accomplished this next weekend? I'll keep y'all informed of any progress.
I did scratch the paint off the ID number with some course sandpaper this evening, noting showed up? Hard to tell if it's deeper down or it might have been grinded off? That would not be good! I'm going to try to remove the paint instead of scratching it more? I'll post a pic from my phone here in a minute.
Thanks again!
I did scratch the paint off the ID number with some course sandpaper this evening, noting showed up? Hard to tell if it's deeper down or it might have been grinded off? That would not be good! I'm going to try to remove the paint instead of scratching it more? I'll post a pic from my phone here in a minute.
Thanks again!
-
- Posts: 2914
- Joined: Sun Jan 06, 2019 1:30 pm
- First Name: Dave
- Last Name: Hjortnaes
- * REQUIRED* Type and Year of Model Ts owned: 24 Speedster, 20 touring
- Location: Men Falls, WI
Re: Another newbie No Start
Looks like it was ground off or was a replacement engine that was never stamped.
-
- Posts: 7342
- Joined: Fri Jan 04, 2019 9:37 pm
- First Name: Steve
- Last Name: Jelf
- * REQUIRED* Type and Year of Model Ts owned: 1923 touring and a few projects
- Location: Parkerfield, Kansas
- Board Member Since: 2007
- Contact:
Re: Another newbie No Start
Replacement engines had serial numbers, but replacement blocks were unnumbered. They were to be stamped with the number of the presumably wrecked block they replaced, but they didn't always get stamped. That's probably what you have there.
The inevitable often happens.
1915 Runabout
1923 Touring
1915 Runabout
1923 Touring
-
- Posts: 310
- Joined: Sun Jan 06, 2019 12:02 pm
- First Name: George
- Last Name: Hand
- * REQUIRED* Type and Year of Model Ts owned: 1912 open express, 1920 touring, 1926 tudor-lisenced and insured, 1921tt project 1922 fendered chassis, 192x tt dootle bug 192xengine w/winch projects
- Location: Preble NY
Re: Another newbie No Start
Eric, Looking at your photos you have one showing the manifold side of the engine, near the timing cover there is a 3017D generator block off plate in view indicating the block is a later than 1919 production. Look on the block below the manifolds & see if there is a single long valve chamber door with the throttle rod coming thru a hole in the cover or 2 shorter ones with the throttle rod coming thru between the 2 covers? One cover would mean you have a block from mid 1922 or later, two doors would be a block from 1919 to mid '22 production. Service engine blocks were outfitted to be able to accept a generator or the 3017D was available to use with an original pre starter timing cover for early cars not having a generator. This may explain the blank serial number boss. George
-
- Posts: 7342
- Joined: Fri Jan 04, 2019 9:37 pm
- First Name: Steve
- Last Name: Jelf
- * REQUIRED* Type and Year of Model Ts owned: 1923 touring and a few projects
- Location: Parkerfield, Kansas
- Board Member Since: 2007
- Contact:
Re: Another newbie No Start
I missed that detail of the post-1919 generator spot. Obviously a later engine, and one of those unnumbered replacement blocks.
The inevitable often happens.
1915 Runabout
1923 Touring
1915 Runabout
1923 Touring
-
- Posts: 1532
- Joined: Mon Jan 07, 2019 10:27 am
- First Name: John
- Last Name: Codman
- * REQUIRED* Type and Year of Model Ts owned: 1927 Youring
- Location: Naples, FL 34120
Re: Another newbie No Start
I confess that I have not read all of the posts, but in the OP it looks like the owner is diagnosing the problem by throwing parts at the car. The Model T is no different then any modern gasoline-powered automobile; fuel, air, and spark at the right time and if the engine is in decent mechanical condition it will start. Checking air is easy - pull the plugs and with the ignition off, put your finger over a spark plug hole and have someone crank the engine. Find someone with a bit of endurance as you may have to crank the engine over two full revolutions for each hole. A clever person will use two fingers and do two spark plug holes at a time. The person cranking will appreciate that. If you can feel pressure coming out of each cylinder on the compression stroke, the engine is probably in good enough condition to run. Previous posts have dealt with spark and fuel; you want to establish that both are present. I would do the fuel check first with a bit of starting fluid, but go easy with that stuff.
Welcome to the affliction!
Welcome to the affliction!
Last edited by John Codman on Sun Oct 25, 2020 5:38 pm, edited 1 time in total.
-
- Posts: 1556
- Joined: Sun Jan 06, 2019 12:28 pm
- First Name: Duane
- Last Name: Cooley
- * REQUIRED* Type and Year of Model Ts owned: 18 Runabout, 24 Runabout for 20yrs, 25 TT, late Center Door project, open express pickup
- Location: central MN
- Board Member Since: 2015
Re: Another newbie No Start
Shoot a little oil in the cylinders and let it soak in for a couple days if your compression is weak.
How's it feel while cranking? Nothing really there or a bit "springy"?
If your coils & plugs are firing on the battery charger, that's just fine for now.
I drove my 18 out of my little shop with an old Schumacher battery charger set on 6 volts on the running board providing power.
A drill battery will do too!
These tough little buggers aren't fussy about voltage.
Keep working at it, you'll get it.
Study the electrical diagrams until you get it. Just make sure no DC power is given to the magneto. Ever.
Clean that commutator.
How's it feel while cranking? Nothing really there or a bit "springy"?
If your coils & plugs are firing on the battery charger, that's just fine for now.
I drove my 18 out of my little shop with an old Schumacher battery charger set on 6 volts on the running board providing power.
A drill battery will do too!

Keep working at it, you'll get it.
Study the electrical diagrams until you get it. Just make sure no DC power is given to the magneto. Ever.
Clean that commutator.
Since I lost my mind mind, I feel more liberated
-
- Posts: 1559
- Joined: Sun Jan 06, 2019 11:16 am
- First Name: Don
- Last Name: Allen
- * REQUIRED* Type and Year of Model Ts owned: 1924 Touring
- Location: Houston, TX
Re: Another newbie No Start
Whether it's a lawnmower, Model T or muscle car....its gotta have F.A.S.T.: Fuel, Air (compression), Spark and Timing.
Go through them one by one and the problem will present itself to you.
Fuel: Starter fluid is a shortcut. Give it a huff, then try to start it. If it kicks off, you've found the issue.
Air: Check compression
Spark: Remove the plugs and ground them while the key is on and the engine is turned over.....should see a nice hot spark.
Timing: 1,2,4,3 on a T. Give the timer a good servicing, cleaning and lubing and make sure all the wires are in good shape and snug.
Go through them one by one and the problem will present itself to you.
Fuel: Starter fluid is a shortcut. Give it a huff, then try to start it. If it kicks off, you've found the issue.
Air: Check compression
Spark: Remove the plugs and ground them while the key is on and the engine is turned over.....should see a nice hot spark.
Timing: 1,2,4,3 on a T. Give the timer a good servicing, cleaning and lubing and make sure all the wires are in good shape and snug.
1924 Touring
-
- Posts: 7342
- Joined: Fri Jan 04, 2019 9:37 pm
- First Name: Steve
- Last Name: Jelf
- * REQUIRED* Type and Year of Model Ts owned: 1923 touring and a few projects
- Location: Parkerfield, Kansas
- Board Member Since: 2007
- Contact:
Re: Another newbie No Start
What Don said. But seeing the plugs fire on top of the engine doesn't tell you whether they work in the engine under compression. If the other things on Don's list don't get you going, try new plugs (unless you have a tester to check the ones you have).
The inevitable often happens.
1915 Runabout
1923 Touring
1915 Runabout
1923 Touring
-
- Posts: 310
- Joined: Sun Jan 06, 2019 12:02 pm
- First Name: George
- Last Name: Hand
- * REQUIRED* Type and Year of Model Ts owned: 1912 open express, 1920 touring, 1926 tudor-lisenced and insured, 1921tt project 1922 fendered chassis, 192x tt dootle bug 192xengine w/winch projects
- Location: Preble NY
Re: Another newbie No Start
Eric, I see a lot to digest here & not to confuse you more I want to add my 2 cents. MOST IMPORTANT TO ME IS SAFTEY, I am not a fan of starting a T in an enclosure. When I was able to use my neighbor's garage I always pushed my T's outside, it is not that hard. I always have a functional fire extinguisher near by. You indicated that you replaced the spark plugs so I only can assume that they are new? When cranking the engine over do the plugs get wet with gasoline? Have you put a few squirts of oil in the cylinders, it lubricates, makes a better compression seal (& suction for fuel on the intake stroke) & makes it easier to hand crank. Placing the rear axle up on jack stands with clearance under the tires & placing the handbrake lever forward places the transmission in high, when cranking you will be rotating all of the drive train, it also should be easier to hand crank. As a last resort tow the T (at a low speed), but if you are not experienced with driving a T, I will not recommend a novice to be behind the wheel of a T while towing. You need to mentally become at ease with the workings of the clutch pedal so that you do not have to think about it, like riding a bicycle, if you go for a ride on a bike you would just hop on & pedal not think about it. I think the move for a reconditioned carburetor was a smart move, I hope you recovered the original carb for later as it should stay with the cars spares. Good luck on bringing the car back to life. George
PS, I think the body was a kit by the Syverson Cabinet Company, I have an Open Express that is & Ray the makers son gets on these Forums from time to time, the tag may have been produced locally to provide a serial number location for registration.
PS, I think the body was a kit by the Syverson Cabinet Company, I have an Open Express that is & Ray the makers son gets on these Forums from time to time, the tag may have been produced locally to provide a serial number location for registration.
-
- Posts: 1697
- Joined: Sat Jan 19, 2019 9:28 am
- First Name: ROBERT
- Last Name: BERGSTADT
- Location: LOVES PARK IL
Re: Another newbie No Start
check the intake for suction, put hand over carb. have someone crank it over with key off, Bob
-
Topic author - Posts: 11
- Joined: Sun Oct 18, 2020 2:41 pm
- First Name: Eric
- Last Name: Shaffer
- * REQUIRED* Type and Year of Model Ts owned: 1914
- Location: Modesto, CA
Re: Another newbie No Start
Another Sunday and another day in the garage! I dropped some oil in the cylinders and let it sit for a couple of days. Looked everything over, looks like number 3 coil pack is not firing? I’ve got 4 replacements, so I should be able to get one that works, if not I’ll send them off to get repaired. One other thing I noticed that struck me a little funny.... I tested out the wires from the
Cap to the firewall, if I’m connected to number 1 wire, should I be getting a contact reading on ALL of the pins on the firewall? I’m thinking there might be a short in the wire harness? In any case, I have found a gentleman that has a 24 model T and he knows the president of the local chapter that went under not to long ago. Anyways, they are going to try and stop by some times this next week and look it over with me! Hopefully the knowledge they have will get her going! Thank you all for your input! I’ll keep ya posted on what comes!
Cap to the firewall, if I’m connected to number 1 wire, should I be getting a contact reading on ALL of the pins on the firewall? I’m thinking there might be a short in the wire harness? In any case, I have found a gentleman that has a 24 model T and he knows the president of the local chapter that went under not to long ago. Anyways, they are going to try and stop by some times this next week and look it over with me! Hopefully the knowledge they have will get her going! Thank you all for your input! I’ll keep ya posted on what comes!
-
- Posts: 6391
- Joined: Tue Jan 08, 2019 4:56 pm
- First Name: Frank
- Last Name: Brandi
- * REQUIRED* Type and Year of Model Ts owned: Speedsters (1919 w 1926 upgrades), 1926 (Ricardo Head)
- Location: Moline IL
- Board Member Since: 2018
Re: Another newbie No Start
Your question is ambiguous - are you asking if you should be getting a reading OR are you questioning the fact that you are getting a readingMousecat wrote: ↑Sun Oct 25, 2020 5:35 pmAnother Sunday and another day in the garage! I dropped some oil in the cylinders and let it sit for a couple of days. Looked everything over, looks like .... I tested out the wires from the Cap to the firewall, if I’m connected to number 1 wire, should I be getting a contact reading on ALL of the pins on the firewall? ...
To test the continuity of a wire you must disconnect it from each end. If you don't get continuity then the wire may have a break in it causing the voltage not to pass through it. A "short" is caused by an unintentional connection within the circuit.
NO to the word ALL because the two lower posts are for the power source either Mag or BAT depending upon the switch position. The posts above them go to their respective plugs and the top row is from the timer. The coils have points and if they are open there would not be a connection from the top row to position to its corresponding plug end.
So to properly test for continuity a wire needs to be disconnected from each end. If you testing a single circuit path then the ends of that patch should be disconnected from the circuit.
The past is a great place and I don't want to erase it or to regret it, but I don't want to be its prisoner either.
Mick Jagger
Mick Jagger
-
- Posts: 310
- Joined: Sun Jan 06, 2019 12:02 pm
- First Name: George
- Last Name: Hand
- * REQUIRED* Type and Year of Model Ts owned: 1912 open express, 1920 touring, 1926 tudor-lisenced and insured, 1921tt project 1922 fendered chassis, 192x tt dootle bug 192xengine w/winch projects
- Location: Preble NY
Re: Another newbie No Start
Eric, On a Model T timer wiring harness to ground can be caused by a wire terminal grounding against the timing gear cover. That would cause that coil to "buzz" with the key on, this does not sound like your issue. Sometimes a non firing coil (buzzing) can be caused by dirty terminals in the coil box, terminals on the coil or a loose coil, if loose place a cardboard shim between the back of the coil & the back of the coil box. George